|
Добро пожаловать,
Гость
|
ТЕМА: Мои магнитолки со всего мира
Мои магнитолки со всего мира 27 Авг 2018 22:16 #8472
|
TRIDENT CX-444
Давно не хватало в коллекции японской магнитолы марки TRIDENT. Она стала у меня появляться медленно, по частям. Сначала была прикуплена раздолбанная в хлам магнитола, но за то с настоящим FM, что для трезубцев невероятное событие, бо распространены они были именно без него. Этот набор хлама, гремящий внутри винтами, обляпанный краской, с тремя фатальными пробоинами корпуса и разбитым стеклом. И вторая такая же магнитола, но абсолютно молчаливая, но с MW вместо FM, но в идеальном состоянии корпуса. И скрестить надо из этих двоих как минимум один вменяемо функционирующий аппарат... ТЕХНИЧЕСКИЕ ХАРАКТЕРИСТИКИ: FM mpx - 87-108Mhz MW 535-1605Khz SW1 3.0-8.0Mhz SW2 8.0-23Mhz Размер: 500х280х135мм Пассик 12,5см квадратного сечения. Вес: 5,2кг SANYEI ELECRONICS CORP.
Вложения:
|
|
Ищу магнитолы Silvano KSC M1900, Nippon KSC-M1900, TOSHIBA RT-S713, RT-8490 SONY CFS F5, FISHER PH470, NATIONAL RX-5080, RX-5150. RX-5250
Ищу кассеты AKAI, AIWA, CROWN, SILVER и демонстрационные кассеты, всегда есть на обмен...
Последнее редактирование: 20 Май 2025 12:48 от black jack.
Администратор запретил публиковать записи.
Спасибо сказали: scorpic
|
Мои магнитолки со всего мира 27 Сен 2018 22:56 #8485
|
NATIONAL RX-5700
Следующее приобретение было весьма спонтанным. Была возможность купить и привезти магнитолу с Японии и я этим шансом воспользовался. Залез на японский аукцион, а тут на последнем часу скучает необычная для наших мест магнитола. Нажатие кнопки раньше, чем кто-то другой сообразил и старенький магнитофон отправился из префектуры Сайтама, что рядом с Токио, прямиком на пароход. Через неделю был уже на Сахалине и всей кучей прочих японских нештяков - японским виски, винилом и прочим скарбом отбыл на большую землю и чудом успел кораблем в Хабаровск, когда начался сентябрьский тайфун. Ну а там и Беларусь недалеко. Приезжает значит он, ко мне вместе с тремя ящиками всякой японской всячины. Открываю, и обомлел. Магнитолу японец засунул в обычный картонный ящик абсолютно ничем не обернув, кроме одного слоя полиэтилена. И при этом все цело и невредимо. Достаю. Чумазый причумазый. На хроме следы окислов. Тер-тер всякими мульсиями. Хоть бы хны. Смотрю, на подоконнике стерка школьная лежит. Прошелся несколько раз. Окислы смыло. Не зря в армии электроконтакты на танках так чистили. Милое дело. В батарейном отсеке родной шнур. 100v! Подключил 12вольтовым блоком питания с минусом на жиле, этой же фирмы, купленным летом в Одессе. Прикольно. Кассета работает. Радио ловится. Красота. В подкассетнке собачья или кошачья шерсть войлоком. Но зато все поет. Шуршат все крутилки, зато система поиска песен работает. Интересный тяжелый аппаратик. Слава богу повезло с мордой алюминия. Коррозии, которая бывает практически и не заметно. Голова на аппарате MX. Кассеты тестовые C-30 у меня на этот аппарат аж в двойном количестве. Полез вовнутрь, все как и положено в огромной магнитоле конца 70-х. Большая массивная лентопротяжка с чудными закидонами, видимо реализации программы поиска. Когда она включена в режиме поиска на кассете, некоторые другие функции не включатся, пока не отключить саму программу поиска. Не просто, кондово, много металла и некоторых новых для меня элементов. Кругом жгуты, но и планки разъемов тоже присутствуют. Японский транс в закрытом корпусе и от него идут два провода. Большие 16 сантиметровые динамики. 5см пищалки. Шикарный аппарат, который держать в руках и смотреть живьем куда интереснее чем на картинках из интернета. Деревянный кабинет на самом деле пластик. Смотрится офигенно. И слава богу это не дерево. Возни бы с лаками было бы куда больше с сорокалетней магнитолой. Голова MX. Cтеклоферрит. Как ни крути, 1978 год а она как новая. В отличии от SONY CFS-85 с таким же "деревянным" кабинетом, тут стирающая голова настоящая а не магнитик. С переделкой магнитолы на трансформатор 220v у меня состоялась забавная и довольно затянувшаяся на пару лет история. Установил, стоит гул. Что я только не делал. Может провода рядом с трансом? Крутил-вертел, не помогает. Экраны? Тоже нет. Плюнул, отпаял новый трансформатор, растопил свечек и погрузил в расплавленный стеарин. В течении пары минут из "утопленника" потянулись редкие пузырьки воздуха, покидающие зазоры пластин. Припаял обратно транс. Результат - потише но все равно гудит. Корпус магнитолы впадает в резонанс с трансформатором. Взял резиновый шланг от топливного мотонасоса диаметром в 5мм и нарезал колец высотой по миллиметра 3. Установил площадку крепления трансформатора на "подушки" и затянул прижимные винты. Заметный гул наконец исчез и не громче чем в любой другой магнитоле с штатным 220v. Аллилуйя! Теперь этот аппарат хочется слушать и слушать. Звук у этого аппаратика не сравнимый ни с чем из его 15см динамиков. Из интересных особенностей - у этого агрегата полный фарш типов пленки для кассет. А именно их все четыре, включая FeCR. C подсветкой шкалы и индикатора в этой красоте японцы зачем-то сэкономили в далеком 1978-м! В каталоге 1979 года RX-5700 значится как топовая модель DiscoM фирмы Мацушита. Отличия японки от вариантов для стран третьего мира не только двухдиапазонный приемник против 4-х. У серии F для стран Ближнего Востока и Африки под гирями решетки хромированный блестящий ободок динамика. ТЕХНИЧЕСКИЕ ХАРАКТРИСТИКИ: Размер динамиков: 15см х 2 5 см х 2 Мощность: 32W (16x2W) от сети 22W (11x2W). от батареек Рабочее напряжение: 100v От батареек: 15v Энергопотребление: 35W Частотные характеристики: Normal 40-14000Hz FeCr 40-15000Hz CrO2 40-15000Hz Metal 40-17000Hz Размеры: 557х322х150мм Вес: 8.5 кг (без батареек) Видео:
Вложения:
|
|
Ищу магнитолы Silvano KSC M1900, Nippon KSC-M1900, TOSHIBA RT-S713, RT-8490 SONY CFS F5, FISHER PH470, NATIONAL RX-5080, RX-5150. RX-5250
Ищу кассеты AKAI, AIWA, CROWN, SILVER и демонстрационные кассеты, всегда есть на обмен...
Последнее редактирование: 04 Окт 2020 15:36 от black jack.
Администратор запретил публиковать записи.
Спасибо сказали: kryt-68
|
Мои магнитолки со всего мира 10 Окт 2018 11:38 #8487
|
SHARP GF-508
Этот япошка приехал ко мне с Сахалина. Эдакий студент по обмену. Красивый. Почти как новый. С черной шкалой. 100 вольт трансформатор. Я обычно всегда старался в островные модели транс вмонать на 220, а тут был в Одессе, и на старомодном рынке накупил нужной полярности японских блоков питания. И решил пока до следующего лета на этом остановиться. В общем передо мной некошеный японский шарп. Тут же вспомнился его аналог GF-9696, который мне из Могилева приехал. Усмоктанный, кофе облитый, ободран в хлам. Верхнюю шкалу пришлось перекрашивать и наносить все надписи по новой. Ну и видимо в том шаре и до меня кто-то покапался. В этом, смотрю невиданный для меня дополнительные прокладочки из паралона. Не паханное поле оказалось с некоторыми камушками. Например, смотрю, ферритовая планка приемника вообще болтается на одних проводах. Видимо, от старости лопнула одна из стоек крепления. Их там две. Осторожно установил ее на живую, а вопрос со второй решит капля дорогой эпоксидки. Я конечно перфекционист, но где найду вторую. Мотор молчал изначально как вкопанный. Открутить винты впервые за 39 лет - пытка еще та. Несколько крестообразных отверток просто не в состоянии были это сделать. Винты взяли только после обычной плоской, заточенной на алмазном кругу советской отверткой. Позор Китаю. Хреновый у них инструмент! Мотор молчал по банальной причине. Пассик прилип к валу и на маховик слновно вклеенный. Осторожно отцепился, но я намерен его помыть и туда же поставить другой стороной. Не доверяю я новоделам. Лентопротяжка не сложная. Там даже есть кнопка концевого выключателя, от чего я был в особом восторге, а не жидкие пластиночки контактов! Отдельная история с прижимным пассиком. В этом аппарате все затеи с нипелями и капельницами потерпели провал. Пришлось взять электродрель и выливать прижимной ролик из куска круглой резины, нанизанный на сверло. Пока туда сюда колдовал с вариантами прижимного ролика, оказалось что завальцованую медную втулку можно еще и вынуть и не мучится с зубочистками, как пишут интернете. Да и чистить камеру старого ролика от грязи с помощью спирта удалось практически мгновенно. Общение с этой магнитолой у меня состоялось лет 6 назад, когда мне в руки попал европейский брат этого аппарата GF-9696. Не смотря на ужасное состояние, возня с резиной мне как-то там легче далась. А с японцем я провозился как-то дольше. Так что опыт - вещь относительная. В данном случае с 508-м столкнулся еще и с отсутствием пассиков. Попробовал найти нужный размер 130см х 4мм. Куда та-ам! Не нашел в Беларуси. Все что угодно, но только не это. Зато у меня оказался такого размера, но 5мм шириной. Пришлось резать канцелярским ножом на включенном двигателе. Потом развернул на ЛПМ таким образом, что-бы ровная часть касалась краев лентопротяжки и не детонировала. Подумал что видимо немного не то. Потом нашел 130мм но 3см. Поставил... пассив свалился в паз и скорость крепко возраста. Поставил "резной" вариант. Получилось лучше. В общем, пока стоит такой, немного калека бо играет вполне сносно. Но в поиске родного варианта. Сравном два аппарата GF508 и GF9696. Последний звонче. Стал крутить, у японки оказалось что резистор на лицевой панели нужно просто-напросто почистить. Почистил - оба играют примерно одинаково, хоть и два разных аппарата. Но, как ни крути, косметика япошки на высоте. Оставил у себя в коллекции оба. Нравятся, что ни говори. Очаровательная модель. И солидная. ТЕХНИЧЕСКИЕ ХАРАКТЕРИСТИКИ: Диапазоны радиоприемника: FM 76-108 Mhz; AM 530-1600 kHz; Частотные характеристики ( у шарп 9696 считались по немецкому стандарту DIN 45000) Normal 30-12000Hz; CrO2 30-14000Hz; Metal 30-16000HZ Cистема автопоиска, APSS/APLD: APSS Мощность музыкальная: MPO (DIN45 324) 2x13 W; RMS 2x11 W Динамики размером: 2x18cm (Woofer) 2x5cm (mid-range); 2x (tweeter) Энергопотребление: AC100V 50/60Hz 28watt Размеры: 556x310x143mm Вес без батареек: 8,9 kg Размер пассика - 130мм/4мм Ролик - 13/7/7мм Прижимной ролик 5/5/1,5мм
Вложения:
|
|
Ищу магнитолы Silvano KSC M1900, Nippon KSC-M1900, TOSHIBA RT-S713, RT-8490 SONY CFS F5, FISHER PH470, NATIONAL RX-5080, RX-5150. RX-5250
Ищу кассеты AKAI, AIWA, CROWN, SILVER и демонстрационные кассеты, всегда есть на обмен...
Последнее редактирование: 12 Июль 2021 21:12 от black jack.
Администратор запретил публиковать записи.
|
Мои магнитолки со всего мира 16 Нояб 2018 21:32 #8492
|
TOSHIBA RT-8890
Вложение 1422.jpg не найденоПод самый отъезд позвонил товарищ и предложил вот такую Tokyo Shibaura. На обмен. Ну я и махнулся. Правда история этого приобретения надолго затянулась. Да и расставаться с аппаратом ему особо не спешилось. Как то в далеком 1981году, когда мы с приятелем Вовкой Киселевым усиленно сачковали уроки в десятом классе и ходили вместо контрольных учиться в аэроклубе прыжкам с парашютом. В те далекие, уютные, замечательные времена, когда ничего не было но всё хотелось, батя - военный советник, ему привез вместе с сумкой апельсинов из Сирии магнитолу Toshiba RT-8890. Cлушали мы диво дивное в расширенном звучании на арабских кассетах - неслыханную но по ободранным партам известную группу KISS. Альбом назывался Dynasty. И так хорошо мне это дело зашло, что начав спустя три десятка лет собирать магнитолы, эту разыскать поставил во главу угла. Контакты друга пропали со временем, а магнитола мне никак не попадалась. Никто он своей избавляться не хотел, а в редких случаях просил кучу денег, которую не просто отжалеть нужно, а еще и притащить бог весть откуда. А тут вот набрел на нее мой приятель Олег Мамаев, который зная мою слабость к этой модели, ждал что бы у меня хорошего выменять таки. Думал долго, но наконец созрел. Магнитола с некоторыми косяками, которые мне придется исправлять следующим летом. А именно, кто-то на нее то ли паяльник, то ли что-то подобное приложил. Еще и антенна выломана вместе с куском пластмассы. А меня медом не корми, дай такую мелочевку исправить эпоксидкой с перемешанным черным тонером. Будет как новая. Вот такой магнитофончик. В далеком 1980 выпускался для Центрального Востока и арабских стран Северной Африки. Поскольку была топовой моделью для данного региона, йеменские студенты сюда такие не везли. Поэтому RT-8890 абсолютная экзотика на развалинах былого СССР. Не смотря на недостатки косметики, на этой фотке их и не видать. А приобретение - это есть удовольствие. Тем более искал лет эдак семь. Уже всех знакомых поднял Вовку разыскать, перепотрошил социальные сети на двух языках. Приятель пропал. Ну дай бог ему здоровья, хотел было выцыганить ту самую магнитолу, но теперь появилась вот эта. За все время собирательства засветилась раз пять. У одного из наших даже в коробке с инструкцией есть. В свое время упустил у нас на онланере, бо опять уезжал. Инструкцию сколько ни просил скопировать, а было это несколько раз, что об стенку горох. Видать то что легко одним, свинцово непосильно другим. Магнитола Мамаева вполне себе работоспособна, но мне предстоят приятные эксперименты то ли найти донора задней части корпуса, то ли поупражняться таки еще и с утюгом. Сравнивали с Олегом вместе эту магнитолу и мою RT-9990. Японка при таких же габаритах имеет таки 18см динамики, но двухполосная. А 8890 - трехполосник. Но по нашим четырем ушам 9990 таки побасовитее, до позвонче будет. Все таки 9 серия - это топ у тошиб - моноблоков, но уж очень хотелось заполучить такую как была у приятеля из детства. Где-то в этой магнитоле японцы постарались, например нашпиговав третьими динамиками, но где-то и сэкономили, сделав проушины ручки для переноски из пластика. Бросается в глаза, когда берешь в руки старшего брата RT-9990. Да и хрома в последней поболее. По мне один из самых красивых аппаратов. Или как я их оцениваю, теплых. С душой! ТЕХНИЧЕСКИЕ ХАРАКТЕРИСТИКИ: Рабочие диапазоны приемника: FM: 88-108Mhz MW: 525-1605kHz SW1: 2,3-7,5Mhz SW2: 7,5-22Mhz Размер динамиков: трехполосная система 160мм 5мм 4мм Энергопотребления 18W Выходная мощность: 3,8W х 2 ( 7,6 W ) Размер: 520мм х 307мм х 155мм Вес: 6,3 кг без батареек
Вложения:
|
|
Ищу магнитолы Silvano KSC M1900, Nippon KSC-M1900, TOSHIBA RT-S713, RT-8490 SONY CFS F5, FISHER PH470, NATIONAL RX-5080, RX-5150. RX-5250
Ищу кассеты AKAI, AIWA, CROWN, SILVER и демонстрационные кассеты, всегда есть на обмен...
Последнее редактирование: 11 Нояб 2020 00:43 от black jack.
Администратор запретил публиковать записи.
|
Мои магнитолки со всего мира 23 Нояб 2018 01:32 #8500
|
Где-то лежит 508-й Шарп. Узнал, как увидел.
Состояние внешне плохое. Может пригодится что с него... Внутри всё на месте, кроме некоторых шестерёнок ЛПМ. Наверно ещё и рычажка с прижимным роликом там не будет, если только не снял кому. Внутрянка чистая. Пороюсь где лежит, отдам. Мне не нужен. |
|
Приземлился тут! И окончательно...
Администратор запретил публиковать записи.
|
Мои магнитолки со всего мира 21 Дек 2018 17:01 #8536
|
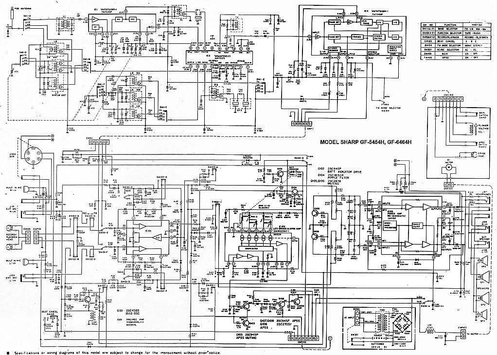
SHARP GF-5454[/color]
Почему именно этот шарп? Коллекция у меня не маленькая. Много топовых моделей, а тут вдруг 5454. Да в том то и дело что именно с этой модели все мои хотелки и начинались иметь японский магнитофон. Ходил я как в музей в 80-е в комиссионку на Карла Маркса любоваться на тогдашнюю выставку волшебства японского народного хозяйства, где продавалась мечта соевого человека тех лет. Стоило это столько, что ни в сказке сказать. Ходил, выбирал модели японских магнитофонов, которые я бы хотел бы иметь. Среди нах были и только появившиеся двухкассетные GF-450, и SANYO M8930 и монстр, которого никак не найду, огромный фантастический Hitachi TRK-8200, но поскольку всегда был прагматичен и реалист, взгляд мой приковывал вот этот симпатяжка GF-5454, который иногда появлялся то в серебряном, то в бронзовом цвете. Долго я ходил кругами тогда вокруг этой штуковины. Во всех отношениях предел мечтаний. Светодиодный столбик. Классные дуршлаги гриллей. Красивый аппарат. Купи я его, конечно же столкнулся бы с прелестями АРУЗ - автоматической регулировки уровня записи, которая скакала с появлением сигнала или сильно шумела на кассете при записи в минуты затухания музыкального сигнала. Сейчас это не имеет никакого значения. Легкий, красивый кондовый аппаратик с замечательным приемником. Тогда пачками их везли в далеких 1982-83 году африканские студенты и арабские курсанты. Но в конце концов я приобрел себе практические его близнеца GF6464, нового, в коробке и юзаю до сих пор без малейших неисправностей. Смело могу сказать что и 5454 - это "автомат Калашникова" среди магнитол тех лет. В отличии от других он неприхотлив, бескомпромиссен и надежен. Можно сказать магнитола была весьма массовой. В последствии, спустя лет эдак тридцать, когда я начал коллекционировать магнитолы много раз была возможность купить этот шарп, и вот год назад я таки цепанул его на каком-то из аукционов. Он долго ко мне добирался в связи с моим постоянным отсутствием в стране и вот он у меня. Все то же самое, что и в 6464. Различия чисто внешние и другое расположение светодиодного столбика. Есть различия и в стойках переключателей, на которые надеваются сверху съемные ручки этих переключателе овальной формы. Зачем их сделали разными практически у одной и той же модели мне не понятно. Классный, надежный, легкий магнитофон прекрасен в качестве домашнего радио, бо с ним справится на кухне практически любая домохозяйка. В хорошем состоянии - отличный подарок закадычному другу домой или на дачу, бо стоит сегодня не очень дорого. Есть еще версия, выпускаемая для рынка Японии. Там были кнопки ЛПМ хромированными. Выпускалась так же "младшая" модель GF-5252 в контрой вместо 4 было всего два диапазона приемника и выхода мощность чуть более трех с половиной ватт. То есть 5454 вполне себе по тем временам был самодостаточным аппаратом для повседневной эксплуатации и не зря был бестселлером, который позже сменил GF5757, которым компания Шарп буквально взорвала и заполонила мировой рынок. Но мне он уже не нравился внешне. Кто-то возможно и ругает звук 5454, но для меня это звучание начала восьмидесятых. Ни больше ни меньше. Через 10 минут после рюмки коньяка все аппараты играют одинаково. ТЕХНИЧЕСКИЕ ХАРАКТЕРИСТИКИ: Диапазоны приемника: FM: 87.6 - 108 MHz MW: 520 - 1.620 kHz SW: 5.95 - 18 MHz LW: 150 - 285 kHz Диапазон: 50-10000Hz Динамики 12см х2, 3см х 2 керамика Мощность: 3,6W x 2 (7,2W) Энергопотребление - 25W Размеры: 500х226х120мм Вес: 3.9кг |
|
Ищу магнитолы Silvano KSC M1900, Nippon KSC-M1900, TOSHIBA RT-S713, RT-8490 SONY CFS F5, FISHER PH470, NATIONAL RX-5080, RX-5150. RX-5250
Ищу кассеты AKAI, AIWA, CROWN, SILVER и демонстрационные кассеты, всегда есть на обмен...
Последнее редактирование: 21 Дек 2018 20:53 от black jack.
Администратор запретил публиковать записи.
|
Мои магнитолки со всего мира 17 Июнь 2019 22:58 #8800
|
Cледующий аппаратик из моего прошлого
SHARP GF-5454 сначала я почти год ходил глотал слюни на улицу Карла Маркса, где в Минске находилась комиссионка японских магнитофонов. Потом мы с отцом взяли некислую сумму рублей СССР и отправились делать покупку. Приходим. Уже готовы брать именно такой магнитофон, как к нам подходит какой-то спекулянт и предлагает за ту же сумму что и в комиссионке, новенькую, в коробке, но немного другую модель. Короче, я не стал обладателем GF-5454. Уж очень он мне нравился. Зато по случаю таки я заполучил этот аппаратик и он стоит в моем шкафу. Теперь собственно о самом SHARP GF-5454. Можно смело назвать этот удачный аппарат одним из самых массовых. С огромным воодушевлением везли его со всего мира в СССР чернокожие обитатели советских общаг с целью перепродажи. Стоил недорого. Зато какой подъем! 1200 советских рублей. 5 месячных зарплат лейтенанта ВС. Если рассматривал его конструкцию, то она основана на популярных 12см динамиках, которые мы встретим и в более младших GF-4646 и в более раннем GF-6060/6161, более позднем GF-7500/7600 и в двухкассетных GF-450/500. Но на мой взгляд именно этот магнитофон являл золотую середину. Достаточно широкий аппарат более 50см. Наличие красивого свтодиодного индикатора, только входившего тогда в моду. Больше всего модель портил АРУЗ - автоматическая регулировка уровня записи. Писать на этот магнитофон с внешнего источника было истязанием. Лучше было это сделать на чем-то другом и на шаре только воспроизводить. Зато в наше время это уже не важно. Шикарный, цепкий радиоприемник великолепно ловил вражьи голоса. А как 5454 сегодня отрабатывает прием FM! Жаль в те времена послушать этот стереодиапазон было не возможно в СССР. Магнитола на мой взгляд является ярким и удачным образцом классического яркого дизайна своего времени. Легка в ремонте и разборе. Пьезопищалки... они присущи большинству магнитол той поры. В аппарат так и просилась раздельная регулировка диапазонов. Конструкционно она была заложена, но ее реализовать не спешили. Выпускался аппаратик в двух цветах - в серебре и кофе с молоком. Шкала могла быть голубой или черной. А вот аналогичная модель для рынка Японии отличалась блестящими хромированными кнопками. ТЕХНИЧЕСКИЕ ХАРАКТЕРИСТИКИ Принимаемые диапазоны радио FM 87.6 MHz- 108 MHz SW1 2.3MHz - 7.3MHz SW2 7.3 MHz - 22.0 MHz AM 525 kHz - 1,605 kHz Частотные характеристики 50Hz ~ 10,000Hz Соотношение финал/шум 50dB Мощность от сети PMPO 15W(7.5W+7.5W) MPO 12W (6W + 6W) Мощность от батареек 5.8W (2.9W + 2.9W) Размеры Ширина. 500мм Глубина 120мм Высота 226мм Вес: 3.9 кг
Вложения:
|
|
Ищу магнитолы Silvano KSC M1900, Nippon KSC-M1900, TOSHIBA RT-S713, RT-8490 SONY CFS F5, FISHER PH470, NATIONAL RX-5080, RX-5150. RX-5250
Ищу кассеты AKAI, AIWA, CROWN, SILVER и демонстрационные кассеты, всегда есть на обмен...
Последнее редактирование: 11 Авг 2019 22:38 от black jack.
Администратор запретил публиковать записи.
|
Мои магнитолки со всего мира 04 Июль 2019 08:26 #8813
|
NATIONAL RX-5400
Аппаратик приехал из Японии, приезенный руками контрабандистов, пароходом через Сахалин. К сожалению такие финты в доставке больше мне не доступны. Понятное дело что аппарат 40 лет пережил. Грязнущий! Стекло шкалы приемника в царапинах. Хромированные ручки все окислились и приобрели цвет плесени сыра Дор Блю. Принес домой. Подключил к блоку питания 12V. Магнитола ожила сразу всеми своими функциями. Приемник вцепился в "Юмор FM" и динамики дунули густым саундом 80-х. Кассетная часть тоже порадовала - не надо китайские пассики вставлять. Вот только счетчик молчит. Естественно, первое, это то что глаз режет - косметика! Поснимал все хромированные ручки к нопки. Зубная щетка. Украинский "силит", любую ржавчину осилит, но тот, который для хромированных кранов на кухне и в ванне! Я его уже многократно использовал а к химии стараюсь относиться очень осторожно. Отчистил. Смыл водой и потом протер эвкалиптовой полиролью. Сразу все элементы засверкали как яйца у кота, из жидкой ртути. На картинках - предшествующие масштабы бедствия! После промывки поверхностей, все кнопки вернулись на место. Но под слоем грязи скрывался бриллиант! Но больше всего резала глаз шкала приемника. Обычно я долго вожусь, а тут справился минут за пять. Знакомый автомаляр презентовал мелкодисперсную наждаку на основе пористой мягкой губки. Затер проблемные места. Далее в ход пошло, чем богаты. Оргстекло шлифуют всем, кто на что горазд. Если всё хреново- меняют нафиг. Этой магнитоле повезло. Трещин нет. Полирнул крокусом для шлифовки оптики. Слегка намочил обычный кусок х/б от старой наволочки. Макнул в розовый порошок крокуса. Пара минут. Стекло как новое. Пару дней магнитола усердно работала на подоконнике в качестве радио. Шуршит и постреливает регулировка громкости. Следующий этап - разборка и числа аппарата внутри. Сегодня полезу ковыряться с отверткой. Аппарат - огонь! Особенно в звуке. Я даже не ожидал. Только был куплен без крышки батарейного отсека. Взял такую же у Sergtheseal от этой же модели и заказал 3D копию. К концу недели будет готова. Скоро обзор потрохов RX-5400 и его фотосессия. Ах да, магнитола для рынка страны Восходящего Солнца. Скоро будет и перевод всех надписей. Впереди - мелкое обслуживание внутри. Пропотрошение! Всего 7 винтов! Но каких! Цаца. Я задолбался с кучей крестообразных отверток, которые то цепляют крест то нет. Винты для National я как-то раньше такие не встречал. Они с шляпкой и под + и под -! Удобно. Магнитола девственная. Никто до меня там не пасся, винты закручены были крепко и открутились только тем самым минусом. Снимаются отщелкивающияся крышка подкассетника и абсолютно все крутилки и 4 ручки переключателей. Открываю! Тадам! Привод бегунка радиоприемника - зубчатый ремень! Пластик ремешка не абы какой а прямо что-то типа кевлара, или что либо другое как мне показалось. Неэластичный. Лет 200 не рассыпется. На дворе олимпийский 1980-й год. Ныряем дальше. Отстегивается лицевая панель с динамиками внутри, которые к основной плате подсоединяются разъемом. Удобно. Технологично. Не то что в айвах. Но в кое чём технологи схалтурили. Твиттеры не открутить! А какой чудесный съемный трансформатор. Меняй - не хочу! Два болта открутил. Два провода на 100 вольт. Два ... м-м-м 10V??? Вроде так если следовать маркировке. Следующий раз измеряю. Пассик я не вижу смысла менять если и так все хорошо. Он нигде не залипал и не растянут. А вот пассик привода счетчика длинной 80мм пошёл на замену, бо провис и прикручивался. Для этого достаточно было снять алюминиевую накладку на ЛПМ. Шуршали потенциометры. И вот тут было неприятное попадалово. Попробуй к ним подлезь! Для этого всю начинку не поможет открутить от шасси, расположенного на задней стенке. Что бы рассмотреть что там конструкторы накуролесили пришлось взять зеркальце стоматолога. Но как бы там ни было, нашел трубку подлиннее для баллончика со спреем для очистки электроконтактов и, вуаля, разработал, треск пропал и скачки в регулировке громкости. Что еще из вкуснятины в этом парасёнке, что я вижу впервые - демпферный механизм. Трындец магнитолой головке. За сорок один год, а аппарат датирован на корпусе 28 октября 1980 года, поверхность зеркала покрылась пылью оксида. Я попробовал почистить коррозию подручными средствами и полирнуть крокусом. Пофиг! Установил новую японскую голову, купленную при случае в лимонном Сингапуре. Играет этот мафон замечательно и имеет на передней панели ручную регулировку скорости ленты. Больше претензий у меня больше к аппарату нет. Скручиваю обратно 7 винтов. Подсоединяю через блок питания 12V фирмы Panasonic, по случаю купленный в Одессе. Аппарат играет и поет ой как зачётно. Другие позавидуют! Все таки 16см динамики, хотя внешне их размер кажется поменьше чем на многих других магнитолах. В магнитоле много всяких технических вкусняшек. Например программа поиска по 7 трекам кассеты. Прямо с "морды" регулируется скорость вращения мотора. Необычно, но интересно придумано. Понятное дело что записывать кассеты сегодня на нем никто не будет, но вижу полный баян типов пленки Normal/CrO2/ Metal В целом, аппарат - неожиданно офигенный. Богато звучит. просто - музыкальная шкатулка! Добираться до обслуживания потенциометров развлечение не из подарков. Плата приемника с регулировками зато достаточно доступна. Все на разъёмах. Очень удобно отсоединить фронтальную часть магнитолы с динамиками - всего один разъем. ТЕХНИЧЕСКИЕ ХАРАКТЕРИСТИКИ: Диапазоны радио: FM 76-108 Mhz AM 530-1600kHz Частотные характеристики: 40-12000hz Normal 40-14000hz CrO2 40-14000hz FeCr Cистема поиска TPS на 7 треков Динамики 16см х 2, 5см х 2 Мощность - 14W(7+7W) PMPO Размеры: 563х325х139мм Вес 7,5кг без батареек Размер пассиков FRM-9,7mm SCQ-6,7mm SCX-3,2mm SCX-4,3mm
Вложения:
|
|
Ищу магнитолы Silvano KSC M1900, Nippon KSC-M1900, TOSHIBA RT-S713, RT-8490 SONY CFS F5, FISHER PH470, NATIONAL RX-5080, RX-5150. RX-5250
Ищу кассеты AKAI, AIWA, CROWN, SILVER и демонстрационные кассеты, всегда есть на обмен...
Последнее редактирование: 31 Окт 2024 23:34 от black jack.
Администратор запретил публиковать записи.
|
Мои магнитолки со всего мира 17 Июль 2019 15:17 #8819
|
Hitachi TRK-8600
(версия для рынка Японии) Ещё один черт из табакерки, приехавший с Дальнего Востока. Причин его приобретения было несколько. Первая - у меня уже один такой есть. Но немного некомплектный. Вторая причина - приятель с того самого Дальнего Востока, сказал что японская версия играет лучше чем трехполосная версия для Европы. Ну как тут не приобрести, имея приятеля на Сахалине, которому ещё не надоели мои причуды. Охотились вместе несколько месяцев. Штуковина, мягко скажем, немного культовая и все время за ней стоит очередь. Сегодня я чудесным образом провел замечательный вечер отмывая от поплывших пассиков лентопротяжку где их один и не два, а целых 4. Но это будет отдельный репортаж, поскольку пришлось изобретать по новой схему хитросплетений и игрой "в резиночки". На магнитоле установлен трансформатор, который выложил выше. И он как-то неплохо справляется с возложенными обязанностями. Может быть я бы и оставил эту магнитолу работать с внешним блоком питания, но полярность внешнего гнезда оказалась обратная. Все равно светили лишние телодвижения. Делать - так делать. И так, очередная фотосессия магнитолы исключительно для рынка Японии, которая в отличии от европейки выпускалась в двухполосном исполнении. Косяки были от длительного бездействования. Переключатель режимов функцианировал станным образом - при включенной кассете работало радио. Левый канал что ни крути, еле попёскивал. Ну и самое главное - возвращение к жизни лентопротяжки. Одно дела пару часов спиртом отмывать старые пассики. Не менее веселое занятие - придумать как они должны быть расположены. Можно было бы коечной раскрутить мою европейку 8600, но мы не ищем легких путей. Не хотелось тратить лишнее время. Ди в в конце концов само получилось. И так. Разбираем. 8 оцинкованных болтиков резьбой 3мм и длинной 5. Открутились без проблем. Иногда десяток отверток переберешь. А они не цепляют. При обратной сборке болты я теперь обмакивю в силиконовую мазку. Столнулся с несколькими неожиданными сюрпризами. Вроде похожий магнитофон не просто одной марки, но и одной модели. Но японцы наворотили, создав не только абсолютно разные маски лицевой панели для японской и европейской версии. Например - разный подкассетник. У азиатки он шире на 5мм и другая форма под другим углом венца лифта. Он и в глубину помирена 3мм. От одной к другой магнитоле не подойдет. У европейки 6 динамиков. У японки всего 4. У японки светится глаз системы поиска песен DPRS. У еропейки на этом месте две ручки ручного уровня записи и Dolby NR. У японки снизу панель для управления караоке. И так, ныряем вовнутрь. Прежде нужно снять планку управления ЛПМ с фишкой разъёма. Подкассетник снимается после этого очень легко. Он держится на двух ушках. Вот он, какой, северный олень. Слева внизу замененный трансформатор в коробке экрана. Наша цель - не Коммунизм! В данном случае молчок ЛПМ. Мотор включается. Кассету не крутит. 4 доступных винта по углам. И вот она, лентопротяжка. Все на разъёмах, которые абсолютно все можно и не отсоединять. Снимаем маховик. Запасаемся тампонами для спирта и ватными палочками. Грязи я добыл с этой лентопротяжки по стахановски ударно. Даже не припомни подобного. Все таки 4 пассика из которых жив только у счетчика. Пассики на эту магнитолу следующих размеров: - главный привод 3мм х 12см - квадратный пассик 1мм х 11см - квадратный пассик 1мм х 6см После нескольких попыток игры в резиночки с гудением мотора, я получил правильную комбинацию. Потом была смазка металлических направляющих и оси довольно приличного маховика и все в сборе. Ах да. Головки многих магнитол, прибывших из Японии имеют характерный налет на зеркалах из оксидов. И эта - не исключение. На панасонике на ура все оттёрлось, а вот на этой магниоле чем я только не пытался налет удалить, придется менять. Эта головка не играет как надо. Отдельнвя история - динамики Их здесь 4 штуки. 2 х 5см и 16см Динамики имеют спереди до сих пор довольно липкую пропитку. Внизу, где скопилась век прошлого века, налипло ее предостаточно. Собирается магнитола не сложно. Но важно при сборке не сломать руски переключательей, которые постоянно хотят перекоситься и переключатель режимов включения магнитолы. Двухполосная магнитола TRK-8600 по сравнению с трехколёсной европейкой при абсолютно одинаковом звучании технически оказалась более навороченной. У японки более развитая система автопоиска и индикацией красным "глазом" где загораются цифры пауз и более "продвинутая" лентопротяжка с двумя соленойдами. Этот магнитофон более близок другой трехколёсной модели для еврорынка TRK-8610. ТЕХНИЧЕСКИЕ ХАРАКТЕРИСТИКИ: Мощность: 2x15 W RMS (AC operation) Размеры: 340(H) x 546(W) x 177(D) mm Вес: 8.3кг (с батарейками) 50 to 12,000 Hz (Normal tape) 50 to 14,000 Hz (Chrome tape) 50 to 16000 Hz (Metal tape) Трехполосная акустика Динамики: 16cm x 2, 2x5 cm Диапазоны радио: FM 76-108MHz AM 530-1.605kHz 1981 год выпуска
Вложения:
|
|
Ищу магнитолы Silvano KSC M1900, Nippon KSC-M1900, TOSHIBA RT-S713, RT-8490 SONY CFS F5, FISHER PH470, NATIONAL RX-5080, RX-5150. RX-5250
Ищу кассеты AKAI, AIWA, CROWN, SILVER и демонстрационные кассеты, всегда есть на обмен...
Последнее редактирование: 13 Нояб 2020 22:34 от black jack.
Администратор запретил публиковать записи.
|
Мои магнитолки со всего мира 24 Авг 2019 22:25 #8837
|
NATIONAL RX-FD80
На дворе стоял далекий 1987 год. Японский концерт Matsushita основательно подготовился к переходу своей продукции портативного радио на новый музыкальный формат - СD. Открываются новые горизонты в безграничном качестве звучания, которое обеспечит лазерное чудо. Будущее здесь и сейчас. Вставил диск и фантастика уже у вас в доме. Под брендами Panasonic и National выпущен первенец компании RX-FD80, позволивший прикоснуться покупателю к новому, наберающему популярность, цифровому формату. Возьмем в руки фирменный каталог тех лет. FD80 здесь смотрит на нас прямо с обложки. Открываем следующую страничку. Мегахит без лет, двухкассетный со спектроанализатором CW200 и тот смещен в каталоге на позицию ниже этого суперсовременного лазерного монстра. То есть RX-FD80 - тот самый топ, на который возложены огромные надежды и строится маркетинг мирового японского гиганта. Эдакая первая ласточка грядущей новой эры. Купил эту штуковину не имея ни малейшего представления что это за аппарат. Просто захотелось заполучить магнитолку с сидюком. Приобрел в Японии, имея приятеля на Сахалине. Аппаратик контрабандой доставили моряки вместе парочкой из верхних постов. Попросту прихватили с собой лишний багаж в японском порту. Приехал магнитофоне в Беларусь. Честно говоря, брал аппарат понравившимся по картинке и думал что получу небольшой батончик. Куда там. Приезжает тяжелая, почти шестикилограммовая длиннющая магнитола с лопухами 14 см динамиков из белой рисовой бумаги. Подключить и послушать шансов никаких. В этой модели не предусмотрено питание через блок питания или через автомобильный шнур. Только сетевой на 100вольт. Ну раз такое дело, попробовал проверить магнитолу через ... блок питания, припаяв в пружинам батарейного отсека. Магнитола тут же включалась и тут же звук пропал. Мощности внешнего трансформатора не хватило. Аппарат жадно из него всё высосал. Ещё бы. Мощность то якобы 50W PMPO. Естественно, первое что необходимо сделать с этим пациентом - заменить трансформатор на 220 вольт. Япончик к тому же выдавал 13,5V. Как раз аналог у меня уже был. Магнитола включилась и довольно хорошо запела. Без каких либо особых приукрас она чудным образом отрабатывает тот звуковой сигнал, который поступает. А именно, магнитофон тех тет, где производитель не сэкономили практически ни на чем, кроме, видимо вышедших из моды светодиодных или стрелочных индикаторов. Но и без них тут фарша в лучших котлетах столько не найти. Первое, собственно, это сам CD с вертикальной загрузкой. Смотрится богато. Это потом диск спрячется в магнитолах куда нибудь наверх корпуса. А тут он на виду. Особое внимание уделюименно этой опции. У магнитолы богатая функция использования этого самого CD. ЖК дисплей. Возможность повтора, рэндом и поиск на 18 треков, память. Понятное дело что у магнитолы второй носитель - компакт кассета. Так вот: здесь предусмотрен синхростарт CD для перезаписи на пленку. Удобно? Конечно. Теперь о самой кассетной части. Смотрим на подкассетник. Прямо на передней его панели 5 полосный эквалайзер. Ну куда же без автореверса. Слева от подкассетника рычажок переключения положения головки, которая при этом проворачивается пластиковой шестеренкой. Такая же лентопротяжка в свое время устанавливалась в нашу советскую Вегу 250-2 . Два вала. Два маленьких ролика. Большая кондовая лентопротяжка. Слава богу она тут одна. Легким путешествие по ней с целью замены пасека не назовешь. Магнитола работает с пленками в двух положениях. Первое - Normal, второе, объединенное - Metal/Cr На корпусе магнитолы наверное главная для каждого кнопка - включение/выключение. Она находится слева. Большая и удобная. Мало у какой магнитолы еще такие есть. Черный богатый глянцевый пластик. Куча переключателей. Два больших ползунка - балланс и громкость. Радиоприемник, как и положено японцу FM/AM. Шкала приемника - отдельная песня. Такие были в магнитолах 70-х. Эдакий ремейк на шкалу радиостанции второй мировой, в виде барабана. Веньерная нить а не модный в 87 у этого бренда ломкий нейлоновый троссик. У магнитолы три вида звучания - submоnо, само моно... и вполне логичное stereo. Я уже написал про 14см динамики. Акустика здесь двухполосная, дополненная 2,2см керамикой. В дополнение к описанию этой немаленькой конфетки, которая не влазит ни в один их моих рюкзаков - полноценный AUX. Подключается IPhone или другой MP3 через кабель и мы получаем роскошный саундпорт для современных прибамбасов. Аппаратик любопытен мне тем, что чем больше я с ним вожусь, тем больше он мне нравится. Незаурядная штуковина, которую погремушкой не назовешь. Особый случай - в этой модели используется "вечный" лазер FF1. О чем, собственно, речь? В последствии, технологии производства лазерных головок для считывания CD стали изготавливать из прозрачного пластика. Материал, который со временем, как вы знаете, желтеет, мутнеет и в последствии лазер перестаёт функционировать, в следствии потери прозрачности. В модели National FD80 установлена одна из первых конструкций, имеющая линзу, сделанную из оптического стекла БАК4, с химическими добавками оксида свинца для наивысшей прозрачности! В этом аппаратике лазерный привод работает. Из особенностей, магнитола не любит пиратские диски и копии, записанные на CD-R/RW. Только оригинал! Ах, да - Dolby NR. Ну куда же без неё? Аппарат то из высших пород! Три пассика квадратного сечения в ЛПМ. Приводной - 12см ТЕХНИЧЕСКИЕ ХАРАКТЕРИСТИКИ: Мощность PMPO 50W(25+25W) RMS. 22W(11+11W) Размер: 588мм х 161 х 174мм Вес: 5.1кг без батареек Частотные характеристики: CD. 20-20000Hz Normal 30-16000Hz CrO2 30-16000Hz Лазер FF1 со стеклянной оптикой!!!
Вложения:
|
|
Ищу магнитолы Silvano KSC M1900, Nippon KSC-M1900, TOSHIBA RT-S713, RT-8490 SONY CFS F5, FISHER PH470, NATIONAL RX-5080, RX-5150. RX-5250
Ищу кассеты AKAI, AIWA, CROWN, SILVER и демонстрационные кассеты, всегда есть на обмен...
Последнее редактирование: 19 Сен 2020 22:14 от black jack.
Администратор запретил публиковать записи.
|
Мои магнитолки со всего мира 19 Сен 2019 23:10 #8846
|
AIWA CS W700
Честно скажу как на духу. Больше никогда в жизни не куплю ни одного батона. Попросту потеряло смысл. Это двухкассетная королева всех батонов. Если мне предложат JVC M90, наверно я пошлю нахер. Давно не был в таком парасячьем восторге. Малявка, малявкой с 5 полосным спектроанализатором на одном кармане, с эквалайзером на втором, на обоих карманах реверс - на правом с поворотной головизной. На левом большая полноразмерная головка. Полноценный AUX под мобильник через провод. Звук... одним словом AIWA. Для рынка Японии выпускалась под индексом CSW70 и вместо 15светодиодов анализатора будильник, что бы дети школу не проспали. Я не уверен что эта магнитола выпускалась только как мой экземпляр, в лимонном Сингапуре. Возможно и в самой Японии под два диапазона приемника. Выпускалась еще в белом исполнении. Много хрома и алюминия. У моей магнитолы предстоит заменить паралон на грилях и пассик немного тянет. Очень громкий малявка, у которого в документах скромно заявлены только 5х5=10W. Размеры 520x145x130мм Интересная опция Automatic loudness. Что-то я такого как-то и не припомню. 4,1 кг веса без 8 батареек. Однозначно один ярких из шедевров мирового магнитолостроения. Разделка тушки AIWA CSW700. Снимаются колпачки трех тумблеров, крути-ка настройки, де крутилки - громкости и переключателя диапазонов. Выкручиваются 7 саморезов длинной 30мм. Открываю. Крышка соединена с основным шасси 3 разъемами. На каждой ЛПМ по собственному мотору. Для того что бы добраться до левого ЛПМ нужно открутить всего два самореза розового цвета. И немного отогнуть пластиковую планку шкалы радиоприемника. Снимать ее совсем - себе дороже. Пассики квадратного сечения. На левой деке с поворотной головой - 11см длинны. Жив, хороший натяг, но усилия не хватает для поворота головы. Поставил усиленный от видика. Пассики со Ждановичей совсем сопливые, тоньше оригинала на полмиллиметра. Cмазал везде где есть металл. Пришлось повозиться. Поставил вместо хлипкого, потолще - 2мм, от видика. Изменилась скорость кассеты, а на моторе она не регулируется. Поставил другой - тонкий. Все крутило, работало, пока не случился попандос. А именно, подкассетник "съел" кассету и не отдаёт. Каретка ЛПМ с поворотной головкой ушла вниз в паз кассеты и назад не возвращается - не хватает зацепа пасека что бы вернуть в исходное положение. Пришлось разобрать магнитолу. И так и сяк, не открыть. Ну, думаю, как казахи говорят, кирдык. Потом придумал: полез в подкассетник старым советским столовым ножом и приподнял каретку принудительно. Подкассетник кассету выпусил и открылся. Пришлось снова поставить пассик от видика как более мощный для работы в автореверсе. Пока постоит, найду со временем пожиже 11сантиметровый. Второй лентопротяжке повезло не меньше. На ней пассик начал плавиться и порвался. Еще год бы магнитола простояла и превратился бы совсем в смолу. Её и снять посложнее - мешает столбик шкалы приемника. Лентопротяги отличаются первый от второго конструкционно. Поскольку пассик самоуничтожился, пришлось придумать способ мгновенной очистки. Раньше я по полчаса возился со спиртом, ватными палочками и ветошью. Сейчас потратил на чистку минуты две. Берется клубок шерстяных ниток, отрезается толстая нить длинной сантиметров двадцать. Опускается в спирт. Смоченной в спирте нитью несколькими скользящими движениями, намотав на грязный маховик, быстро и основательно происходит таинство очистки. Схему установки нового пассика 13-14 см придумывать пришлось самому. Чесно говоря, мне очень не нравится идея конструкторов тех лет реализации реверса. Крепкий металл, в отличии от батонов Шарпа, но все равно штуки сложные. Пассики хлипкие, а задача у них не просто валы крутить, но и ворочать две поворотных головизны. Не додумались до тех лентопротяжек, которые делал потом ALPS для автомагнитол с бесповоротной головой. С приемником вообще весело. Уже второй раз встречаю с магнитолой, у которой отломались столбики ножек крепления ферритового стержня. Стержень просто болтался на волосках проволоки. Приготовил эпоксидку. Cклеил. Завтра придется усиливать стекловолокном - просто клеям я особо не доверяю. К тому же эпоксидные смолы - штука хрупкая. Веда лучше чем нибудь армировать. Разобрал. А в морде CSW 700 знакомые корзины "модные" корзины 10см динамиков. Тут они 3,2 Ома производства лимонного Сингапура. Следует заметить, мало какие японские так играют. Задачка с кучей вариантов решения. Параллон между динамиком и сеткой начал разрушаться. При прикосновении рассыпался в прах. Пришлось прибегать к помощи пылесоса. Сами динамики из-за наличия защитного слоя параллона, нужно отдать должное, замечательно сохранились включая пропитку по гофру. Видимо отсюда и впечатляющий звук! В интернете информацию про эту магнитолу не просто минимум, а еще и перепечатывают с сайта на сайт о том что эта AIWA двухполосная. А вот и нет. У неё есть керамические пищалки 15мм диаметром. И их не рассмотреть, пока не открутить и снять основной динамик. Грили из металла не просто закреплены на загнутых концовиках, но и проклеены чем-то типа аморфного клея. Слава богу отколупались без переломов. Завтра под перекраску! А вот вместо развалившегося параллона пришлось что-то мудрить. Дома не нашел, куда его засунул, поэтому попробовал новый материал - тонкий войлок небольшой плотности. Купил лист размером А4 в магазине тканей. Рисовать форму мылом на нем намного удобнее чем параллон. Воссоздавать оригинальный рисунок, который был напечатан краской на оригинальном параллоне гриля мне, честно говоря пока лень. Может и созрею. А пока получается густой глубокий черный цвет акустической части магнитолы. Ещё один прикол, в батарейном отсеке корпуса скрываются целых два места для батареек АА. Видимо это конструкционно заложено в литье пластика для других моделей, которые с таймерами на ЖК-кристаллах. В этой магнитоле эти "дырки" были заклеены на сингапурском заводе, но заглушки от времени поотклеивались. Не буду из ставить обратно. Магнитола встала в боевой строй коллекции. "Батончики" очень редко встречаются с какими либо индикаторами, а тут малявка да еще со спектроанализатором. Будет дома жить. ТЕХНИЧЕСКИЕ ХАРАКТЕРИСТИКИ: Мощность: 5х5W (10W) Радиоприемник: FM 88-108Mhz SW 5,9-18Mhz MW 530-1600kHz LW 150-280kHz Частотные характеритики: Normal 40-12500Hz CrO2 40-14000Hz Metal 40-16000Hz Динамики 2 х 10см и 2см Размеры: 517x154x146мм Вес 3,7кг без 8 батареек ЛПМ - 2 х автореверса, одна дека записывающая Пассики - 120 (левая дека) и 140мм (правая дека), квадратного сечения, хотя я видимо установлю 110/130мм, что бы было потуже. AUX 1987 год выпуска модели
Вложения:
|
|
Ищу магнитолы Silvano KSC M1900, Nippon KSC-M1900, TOSHIBA RT-S713, RT-8490 SONY CFS F5, FISHER PH470, NATIONAL RX-5080, RX-5150. RX-5250
Ищу кассеты AKAI, AIWA, CROWN, SILVER и демонстрационные кассеты, всегда есть на обмен...
Последнее редактирование: 09 Дек 2020 18:11 от black jack.
Администратор запретил публиковать записи.
|
Мои магнитолки со всего мира 21 Сен 2019 23:53 #8847
|
National Panasonic RS-4150
Неожиданное приобретение из-за рубежа. Нравятся мне магнитолы из 70-х. Именно в эти годы нащупывались технологии, ни на чем не экономили и аппараты тех лет, на мой взгляд самые крепкие и основательные. В 80-е еще пару лет такой вектор как-то продержался но потом пошла гонка за удешевление. В данном случае - черный пластик, толщиной 3мм, словно на военной радиостанции, кондовые редкие переключатели, полное отсутствие подделок под хром, только настоящий серьёзный металл. Один из первых стереофонических панасоников. Не ширпотреб с аббревиатурой RX, а ещё RS. Серьёзные массивные грили как на радиаторе бронетранспортера. На один светодиод приходится два белых глаза индикаторов, словно приборы бомбардировщика. Ни грамма царапающегося декоративного алюминия. В верхней крышке настоящий открывающийся люк для установки микрофона, словно на танке. Настоящие железные, хромированные, а не пластиковые боковушки ручки для преноски , со стальной полосой внутри. Динамики закрыты от окружающего мира нейлоновой сеткой. Поэтому и звук и сохранность. Настоящий матсушитовский National Panasonic, выполнений так, что проработает ещё лет 50-70. Для того что бы это сломать нужна кувалда или увесистый молоток. Самая большая неожиданность, что эта магнитола оказалась в состоянии абсолютно нового аппарата, словно её забыли включать. По десятибалльной системе это 10 из 10. За 9 лет коллекционирования такое мне абсолютно попадалось редко. Кондовый, тяжеленный аппарат, который украсит любую коллекцию и вряд ли и у кого такое еще будет. Открыл я его просто из любопытства. Протер на всякий случай головку, которая оказалась практически не потревоженой. Закрыл обратно. Там все стерильно. Очень интересно открывается - всего 5 винтов с задней стороны, 3 снизу и 2 сбоку. Абсолютная редкость. В каталоге Внешпосылторга эта модель была по цене 1135-00 рублей, а это подороже многих других. Особенность данной магнитолы - 2 ползунка шкал приемника! Редкое интересное решение. Такое припомню еще только у какого-то Сильвера. Плюс- расширенное стерео. Для рынка Японии эта магнитола была в престижной серии RS-4150STEREO MAC ST-3 ТЕХНИЕСКИЕ ХАРАКТЕРИСТИКИ: Мощность 8W (4x4W) в эти годы еще не врали Радиоприемник: FM 87.5-108 MHz MW 525-1605 kHz SW 5.9-18 MHz LW 145-285 kHz Частотные характеристики: 60 to 11.000 Hz. (Norm) 60 to 12.000 Hz. (CrO2) Размеры: 519 x 225 x 154 mm. 外部入力/MIC×2, LINE IN×2 Вес: 5,2кг без батареек 1978/79 год выпуска
Вложения:
|
|
Ищу магнитолы Silvano KSC M1900, Nippon KSC-M1900, TOSHIBA RT-S713, RT-8490 SONY CFS F5, FISHER PH470, NATIONAL RX-5080, RX-5150. RX-5250
Ищу кассеты AKAI, AIWA, CROWN, SILVER и демонстрационные кассеты, всегда есть на обмен...
Последнее редактирование: 17 Июнь 2020 00:29 от black jack.
Администратор запретил публиковать записи.
|
Мои магнитолки со всего мира 17 Апр 2020 11:45 #8981
|
CROWN CSC-40
Как то совсем упустил из виду что у меня есть еще одна магнитолка фирмы CROWN. Каким-то чудом она оказалась совсем новой. Лежала где-то на антресолях в какой-то картонной коробке с ниразу не распакованным шнуром в целлофане. Мне всегда было интересна именно эта фирма, которая делала одни из самых добротных магнитол. А тут неожиданный формат - предшественник наводнивших мир немного позже малогабаритных "батончиков". Магнитола намного более миниатюрная чем на фотографиях. Устройство и функционал такой же как и у других батонов. Тут присутствует расширенное стерео. Цепкий приемник, который работает и без поднятой антенны. 4 диапазона радиоприемника. Идеальный винтажный аппаратик в интерьер квартиры, который совсем не занимает много места. Модель настолько удачно и массово продавалась, что в этом же формате CROWN выпустил аж 3 модели (CSC-130, CSC-49) в которых изменялся только внешний вид передней панели. Отметилась и фирма Universum CTR-2236 с меню на немецком. Более того, фирма AKAI то ли заказала, то ли выпустила у себя клон этой модельки под своим брендом и номером AJ-456FS. Но у AKAI нет расширения стереобазы. Нет ее и у короны CSC-49. А у этой модельки эта функция есть! Вот такая вот козявка, хотя у CROWN были и более компактные аппараты. Пришлось таки разобрать для мелкого обслуживания. Магнитола и внутри выглядит без следов эксплуатации. Практически стерильна внутри. Снимаются все ручки с лицевой панели. Откручивается 6 крестообразных винтов длинной по 20мм (один в батарейном отсеке), снимается лицевая панелька, динамики на ней крепятся одним разъемом к материнской плате. И все. ЛПМ с одним тонким квадратным пассиком. Но с этой лентопротяжкой этой маленькой короне повезло больше чем огромным Toshiba RT-8890 и 913. Она проще, надежнее и в ней есть настоящая индукционная стирающая головка, а не магнит. Динамики по 10см в диаметре. Бетонный размер. Но при желании можно установить что нибудь с магнитом побольше и появится побольше низов. Место внутри корпуса это позволяет. На платах все абсолютно доступно. Ремонт и обслуживание CSC-40 - дело пары десятков минут. ТЕХНИЧЕСКИЕ ХАРАКТЕРИСТИКИ: MW 515-1650kHz LW 145-360kHz SW 5,8-18,5kHz FM 88-108Mhz Частотные характеристики: 125-10000Hz Размеры: 440х184х99см Мощность: 2х1.8W Вес 2.4кг без батареек
Вложения:
|
|
Ищу магнитолы Silvano KSC M1900, Nippon KSC-M1900, TOSHIBA RT-S713, RT-8490 SONY CFS F5, FISHER PH470, NATIONAL RX-5080, RX-5150. RX-5250
Ищу кассеты AKAI, AIWA, CROWN, SILVER и демонстрационные кассеты, всегда есть на обмен...
Последнее редактирование: 25 Апр 2020 22:07 от black jack.
Администратор запретил публиковать записи.
Спасибо сказали: old.walkman
|
Мои магнитолки со всего мира 22 Апр 2020 12:41 #8994
|
Спасибо за описание, SONY V8,
мог не мучаться с тестором, и не искать, где + и где - на внешнем питании 12 вольт. |
|
Последнее редактирование: 22 Апр 2020 12:43 от Captain.
Администратор запретил публиковать записи.
|
Мои магнитолки со всего мира 09 Июнь 2020 00:43 #9037
|
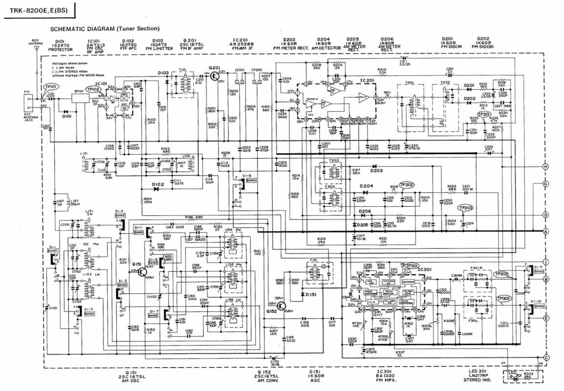
HITACHI TRK-8200
Давным давно, году эдак 1982 будучи десятиклассником, протоптал я дорожку в Минскую комиссионку на Карла Маркса, где в те далекие уютные времена продавались инопланетные для нас, жителей СССР, японские магнитофоны. Благодаря начинаниям великого британца Уинстона Черчилля и его изобретением "Холодной войны", наша страна была закрыта для многих иностранных товаров и подобную технику к нам везли редкие командированные за границу, советники, дипломаты и туристы с темной кожей. Так вот. Прихожу я как то в эту самую комиссионку, а нам стоит вот эта штуковина. Двухкассетников там в те времена еще не попадалось, кроме SHARP GF450 да ужасных 555, поэтому все мое внимание было сосредоточено на брутальных однокассетных бумбоксах. Раньше я не видел магнитол фирмы Hitachi, а тут стоит вот это самое чудо, выделяющееся некислыми размерами и ценой, что то типа 1700-1800 советских рублей. Ну откуда у школьника такие деньги? Больше этот монстр мне нигде не попадался. Минуло много лет а хотелки остались. Искал я эту магнитолу долго. Такое впечатление, что она крепко прописалась в Великобритании. Во всяком случае если она и появляется н каких либо интернетаукционах, то как правило с адресом Туманного Альбиона. За редким исключением магнитола всплывала в Финляндии. Именно там такую в свое время купил знакомый из Питера, Сергей Васильев. За десяток лет коллекционирования винтажного аудио эта модель у меня всегда возглавляла список искомого. Но то сложности с доставкой, то прочие странности судьбы. В общем, нет таких магнитол, которые бы я не нашел. В 2020 таки всплыла магнитола и совсем не в каком нибудь Гринвиче, а в русской Твери. Позвонил счастливому продавцу, начал переписываться. Общаемся по стоимости. И тут выясняется, что его магнитофон куплен ровно за ту сумму, которую я предложил ... в Минске! Ну что делать? Звезды сложились так, что "картина Малевича или Шагала" будет возвращаться к себе домой... в Беларусь. Как этот магнитофон прошел когда-то мимо моего внимания в моем же городе, честно, не представляю. Но факт есть факт. Сделал перевод на карточку продавцу и через 4 дня магнитола из Твери приехала в родные пенаты службой доставки "Энергия" за сумму чуть более 10 долларов. Мелочь, а как приятно. И вот магнитола у меня на подоконнике. Честно, то что я слышу своими старческими ушами, не ожидал! Очень честный звук двухполосных динамиков. 16 и 5см! Очень громкий и игручий. 22W PMPO. Hitachi TRK-8200E по одним источникам, увидел свет в 1980 году, по другим в 1981-м, по сервис-мануалу в 1982 году. Очень заметная магнитола из средней линейки без каких либо систем псевдорасширений звука кроме регулировок тембра, но с Dolby NR. Aппарат выполнен в двуцветной графитово-кремовой гамме, но где-то на просторах США появлялся и в одноцветном исполнении. Cтрелочные индикаторы весьма информативно колышатся в такт музыке, а при включении Dolby NR, загорается зеленый светодиод индикации. Всё управление выведено на верхнюю панель. Кому-то нет, а мне нравится! Есть у магнитолы и неожиданная фишка. А именно, сзади располагается настоящая кнопка-клавиша включения/выключения. И не как в других магнитолах, а прямо как в каком приборе или ... торшере. Эта магнитола живьём очень значимо смотрится. Большой, солидный геттобластер. В этом же стиле выполнен и еще один магнитофон этой фирмы в моей коллекции, старшенький трехполосный HITACHI TRK-8600. Но трудно понять какой играет лучше. Ужочень хорош этот 8200. Я доволен как слон! Технические характеристики: Размеры (WHD) 526 x 318 x 165 mm Динамики: 16cm x 2, x3 cm Output: 2x11W RMS 22W M.P.O. (AC) Вес: 7.5kg (с батарейками) Радио: FM/АМ/SW/LW 50 to 12,000 Hz (Normal tape) 50 to 13,000 Hz (Chrome tape) 50 to 14 000 Hz (Metal tape) Dolby NR 60db ON, 50db OFF
Вложения:
|
|
Ищу магнитолы Silvano KSC M1900, Nippon KSC-M1900, TOSHIBA RT-S713, RT-8490 SONY CFS F5, FISHER PH470, NATIONAL RX-5080, RX-5150. RX-5250
Ищу кассеты AKAI, AIWA, CROWN, SILVER и демонстрационные кассеты, всегда есть на обмен...
Последнее редактирование: 22 Июль 2020 20:01 от black jack.
Администратор запретил публиковать записи.
|
Мои магнитолки со всего мира 23 Окт 2020 12:44 #9130
|
SHARP GF-9500
О существовании этой магнитолы у моего соседа я знал лет двадцать пять. И кроме как у него больше ни у кого не видел. Андрюха - известный в Беларуси барабанщик, еще с тех времен когда страна имела на мой взгляд более красивое и уютное название Белоруссия. (Беларусь для меня - эпоха АГЛ) Фил, или официально, Андрей Филатов барабанил в самой первой белорусской рок-группе "Сузорье", а позже, уже в "Крама". В 80-е он приобрел в Германии свой магнитофон, на котором даже были записаны некоторые песни "Сузорья". В лихие 90-е у соседа был период, когда он открыл на бульваре Толбухина небольшую студию звукозаписи рядом с "Каменным цветком" и магнитола SHARP помогала ему в записи с винила, вертушки "Электроника 017". Там, видать магнитофону и досталось потрудиться, несмотря на бережные руки хозяина. Лет десять назад меня подкосило странное увлечение коллекционирования ставших уже историей, японских магнитол, а в год короновируса и политических катаклизмов зашел к Андрею в гости. Накануне он перенес сложную операцию шунтирования на сердце. Я зашел справиться о здоровье. А получился спонтанный видеосюжет. Прощаясь, Филатов вдруг предложил найти покупателя на его магнитолу, которая к тому времени долго и бережно хранилась на антресолях в родной упаковке, видимо занимая место. Честно, я даже не помышлял о приобретении этого аппарата, бо не коллекционирую магнитолы где колонки отстегиваются от корпуса. Но в данном случае - исторический коробочный экземпляр с документами и автографом владельца. Я не торгуясь его приобрел за красивые деньги, которые сегодня Андрюхе нужны. После такой операции теперь не побарабанишь. И вот у меня дома теперь еще одним ящиком больше. Огромный впечатляющий аппарат. Крепление колонок интересной конструкции нужно было немного отремонтировать, разобрав корпус самого системного блока магнитолы. Теперь оно абсолютно надежно зафиксировано. Колонки с виду похожи на GF700. Те же самые катушки провода, которые немного выезжают и фиксируются при его сматывании. Те же динамики, но в середине катушек есть отверстия подобия небольшого фазоинвертора, чего нет в семисотом. Сама магнитола выпуска 1982 года и предполагая что же первично яйца или курица, уклоняюсь к народному мнению что GF9500 - модель, которая появилась раньше своего двухкассетного и брата GF700. ЛПМ у андрюхиного 9500 на данный момент молчалив. С моих первых попыток его оживить и сейчас в том же состоянии. Кнопки все включаются. Соленойды срабатывают, но вот двигатель молчит. И эта неисправность, судя по стонам в интернете, довольно популярна у этого аппарата. Слишком уж намудрили японцы с электронным управлением. Лентопротяжка у GF9500 отличается от softtouch GF700 не только кнопками у второго и панелькой управления у первого но и двумя соленойдами у магнитолы рок-звезды. Внутрення конструкция магнитолы уже не создаёт впечатления брутальности, как например у GF9696/9595/9797. Тут нет изобилия металла. Здесь много пластика. Раскрыв корпус, мы видим как вываливается один блок из другого. Да собирать на японском заводе побочно и фиксировать всё винтами, закрутив заднюю крышку видимо было технологично и удобно. Но как то уж революционно изменись технологии сборки за один год в компании SHARP. Жгуты проводов стали покороче, что в этом магнитофоне привело к обрыву нескольких при вскрывании, что удалось легко устранить путем наращивания и перепаивания. В отличии у массового GF-700, у 9500 не один а два светодиодных столбика индикаторов. К тому же они расположены вертикально, что у шарпов редкость, если не исключение. Следующая особенность в отличии от GF700 - возможность ручного уровня записи, регулируемая двумя ползунками. Сам магнитофон в сеть солидно включается отдельной кнопкой на передней панели. При кажущемся похожем формфакторе с магнитолами GF7500/7600 у 9500 совсем другие размеры. Он существенно длиннее и выше. Нужно помнить что в его колонках прячутся 16см монстры, а не 12см динамики. Со временем нашлось время разобраться почему молчал мотор ЛПМ. Оказалось, Адрюха за долгую жизнь магнитолы в качестве основы звукозаписывающей студии, мотор попросту убил. Моторчик начинал крутиться даже после профилактики, тольк ели его прокрутить, со стуком и прецессией. Но главная причина молчаливого ЛПМ была в транзисторе D468C, на плате управления, который выполнял роль ключа к старту работы двигателя. Впаялся аналог транзистора, заменен двигатель на идентичный и лентопротяжка ожила. Но и это еще не всё. Лентопротяжка хлипкая, пластиковая, как и вся начинка этой магнитолы. Тянешь одно, вываливается другое. Есть чем заняться. ТЕХНИЧЕСКИЕ ХАРАКТЕРИСТИКИ: Не знаю как удалось конструкторам, но при редкости модели у них много вариантов, существенно отличающихся параметрами выходной мощности. Мощность: 20W MPO (10x10W) от сети 15W RMS (7,5 x7,5 W) от батареек, интересно на сколько их хватит??? Частотные характеристики: 40Hz-14000Hz normal 40Hz-16000Hz CrO2 40Hz-17000Hz metal Динамики 16см х 2 и пара керамических твиттеров размер 670 х 225 х 125мм вес 6.4кг без батареек Пассик -3мм х 100мм -65мм -60мм Видео:
Вложения:
|
|
Ищу магнитолы Silvano KSC M1900, Nippon KSC-M1900, TOSHIBA RT-S713, RT-8490 SONY CFS F5, FISHER PH470, NATIONAL RX-5080, RX-5150. RX-5250
Ищу кассеты AKAI, AIWA, CROWN, SILVER и демонстрационные кассеты, всегда есть на обмен...
Последнее редактирование: 09 Янв 2021 12:40 от black jack.
Администратор запретил публиковать записи.
Спасибо сказали: scorpic
|
Мои магнитолки со всего мира 28 Окт 2020 17:25 #9134
|
Молодец что забрал!
|
|
Администратор запретил публиковать записи.
Спасибо сказали: black jack
|
Мои магнитолки со всего мира 28 Май 2022 09:35 #9339
|
TOSHIBA RT-6390
Cледующая магнитола необычна для моей коллекции, потому что это монофонический аппарат. Она не только выпадает из целостного формата коллекции, но и приобретена для функций выезда, например, на природу, куда с девятикилограммовым SHARP GF-9696 не поедешь. То есть, походный моник в доме имеет место быть. История приобретения TOSHIBA RT-6390 чуть не закончилась печально. То ковид, то февральские войнухи. Магнитолка была приобретена я польском "молотке" три года назад еще в приличные беззаботные времена, доставлена по польскому адресу и благополучно зависла на неопределённый срок в 15км от белорусской границы, но с той стороны. Переговоры с посредником о доставке невесть насколько дорогого магнитофона в Беларусь зашли в обсолютный тупик и постоянно терпели оглушительное фиаско. Честно говоря, на этой Тошке, еще до войны я поставил дубовый крест. А тут, случайно, хороший знакомый и сподвижник по собирательству электроники замечательного прошлого века, Кирилл в разгар пандемии поехал в Варшаву, где отсидел в каком-то отеле двухнедельный карантин, на обратном пути поехал на машине через Белосток, и забрал зависший аппарат. Потом была другая часть истории. Меня самого на момент его возвращения в РБ не было и магнитола лежала на антресолях у Кирилла. За этот же период времени буряты со своим горе-воеводой напали на украинских бабок. Кирилл сам ухал на релакейт в Польшу. Я сам завис между небом и землей, возвращаться в Беларусь или таки висеть за бугром, пока воинтвующие буряты не вернутся в Бурятию к себе в Сибирь. Процесс этот оказался и ныне там. Буряты и по сей день сражаются за стиральные машинки украинских старушек, а домой из-за бугров ехать надо. В общем, в конце мая я приехал домой в Минск, где более-менее таки тихо, связался по вайберу с Кириллом, и его теща отдала мне TOSHIBA RT-6390, чудным образом вывезенную из Польши в смутные времена. Привез. Развернул многострадальную. Включил в розетку. Играет. Да еще как хорошо играет для моника. Еще бы. В аппаратике 16см динамик + 5см бумажная пищалка. Полюс - электронные часы с будильником. И это для 1981 года, Карл! Не каждой стреомагнитоле 80-х таким арсеналом можно похвастать. Удивлению моему не было предела, поскольку уже не один раз имел дело с монологическими магнитолами, где звук на уровне радиоточки сельхозклуба. Этот аппарат напрочь развенчивает миф что мономагнитолки не играют от слова "совсем". Исключения есть! Вот он, у меня. TOSHIBA RT-6390. Эх. Вот именно такой мафон был бы пределом моих мечтаний в 9 классе, в далеком марте 1981 года, когда его выпустили на заводе шаловливые японские ручки. И никакого, нафиг, стерео мне не было бы нужно. Эдакая мономагнитола класса "Люкс". Начнём с "фарша". А именно: на TOSHIBA RT-6390 есть, смотрите внимательно на картинку, это не шутка! Светодиодный индикатор! Да, да, уровня приема и записи. Как в серьёзном аппарате тех лет. Редкий переносной кассетник с монозвукои этим похвастается. Второе, и наиболее актуальное сегодня, когда в современном мире принимается куча каналов FM. Для магнитолы образца далекого 1981 года это нонсенс. В СССР этот диапазон молчал бы глухо, но сейчас - это та самая функция из-за отсутствия которой магнитолы без FM вообще не пользуются популярностью у коллекционеров и пользователей. А тут он есть! Самый впечатляющий фарш - электронные часы. Смотри время, не горюй. Хочешь, включай будильник. Круто для первого года после олимпиады, когда у наших вышла "Электроника-302" с символикой игра, но без часов и радиоприемника? ТЕХНИЧЕСКИЕ ХАРАКТЕРИСТИКИ: Частотные характеристики воспроизведения 100Hz-8kHz Радиоприемник: FM 88-108MHz MW 525-1605kHz SW1 2,3-7,6MHz SW2 7,5-22MHz Динамики: 16см + 5см Энергопотребление: 9,5W Размеры: 370х212x117мм Вес: 3,6кг ПРОДОЛЖЕНИЕ СЛЕДУЕТ:
Вложения:
|
|
Ищу магнитолы Silvano KSC M1900, Nippon KSC-M1900, TOSHIBA RT-S713, RT-8490 SONY CFS F5, FISHER PH470, NATIONAL RX-5080, RX-5150. RX-5250
Ищу кассеты AKAI, AIWA, CROWN, SILVER и демонстрационные кассеты, всегда есть на обмен...
Последнее редактирование: 20 Фев 2026 17:55 от black jack.
Администратор запретил публиковать записи.
|
Мои магнитолки со всего мира 11 Сен 2022 15:11 #9370
|
SANYO M9830LU
Как то уж так повелось что будучи по жизни минчанином, еще в счастливые беззаботные годы друзья показали мне дорогу в нашу комиссионку на Карла Маркса, куда я ходил как в музей. У меня даже постоянный маршрут сложился слюни попускать: Магазин "Звездочка" на Веры Хорунжий, магазин "Горизонт" на Куйбышева, магазин "Электроника" на Логойке и собственно комиссионка. А у магазина "Умелые руки" в одном дворе жил и бывал там каждый день. Это сейчас в Минске жить неинтересно. Одни и те же "ЕвроЁпт", "Мила" да "Остров Сокровищ". А вот в те далекие сладкие времена, когда мороженое было по 22 копейки, а томатный сок по 9к, магазины ломились от чудес электроники и полная свобода от интернета! Так вот. В один из своих визитов в прелестные брежневские 80-е на Карла Маркса, зашел я в ту самую легендарную комиссионку, а там японских магнитол видимо-невидимо. Стою у прилавка. Слюни до полу. А какой-то ушлый предприимчивый дед-спекулянт притащил сдавать накомсиссию аж две одинаковые магнитолы, вот именно такие, как вот эта SANYO с картинки. На комиссию все быстро cдавалось. Компьютеров никаких ни черт ни бог тогда не дал и выписывалось два квитка. Один оставался в комиссионке и лежал рядом с экземпляром на продажу, второй отдавался сдавшему товар. Это уже сегодня я знаю что дед сдал по знакомству два аппарата по одной квитанции и был частым клиентом комиссионки. Я стоял, остолбенев. На расстоянии вытянутой руки от меня красовались два японских звездолета. У меня и у моих знакомых тогда не было ни одного... Дед был мегакрут! Много лет назад, когда меня таки торкнуло собирать эти играющие ящики, я целенаправленно искал именно такую SANYO M9830 и она мне совершенно не попадалась, как ни искал. Причина в том что у компании Саньё был такой обширный модельный ряд, что ее не смог переплюнуть ни один другой производитель. Но таки году на 12-м мытарств и поисков я таки купил "занедорого" эту Саньё в Польше. И мне ее помог доставить приятель Кирилл. В рабочем техническом состоянии, комплектная и в максимальной версии LU, что предусматривает вход и выход на задней панели. Магнитолка немного странно разбирается. Всего 6 винтов на передней панели, но два из них хитроумно спрятаны в подкассетнике. Надо найти что бы не сломать. Динамики тут 12см. Легко снимаются и устанавливаются в специальный карзины. В подкассетнике есть микролифт. Довольно неплохой стереоприём и кондовая железная лентопротяжка, где японцы схалтурили только с маховиком. Возможно, я его заменю на более массивный из своих запасов самоделкина. Пассик тут четырехгранный, тонкий. В этом аппаратике буквально всё из классики, включая так же и светодиодный пиковый индикатор. Хороший удобный середнячок MID-формата с оптимальным минимумом функционала, с которым разберется даже школьник, отродясь магнитолы в глаза не видавший. Надежно. Просто. Сломать тут нечего. Переиграет кучу других. Made in Japan. ТЕХНИЧЕСКИЕ ХАРАКТЕРИСТИКИ: SANYO M9830LU (еврорынок) Динамики 12см+1,5см керамика Энергопотребления 12W Мощность: не менее 2х4W Частотные характеристики: 100-8000Hz Диапазоны: MW 540-16O0 kHz SW 6.0 - 18 MHz LW 540 - 270 MHz FM 88-108 MHz Размер пассика 10,5мм
Вложения:
|
|
Ищу магнитолы Silvano KSC M1900, Nippon KSC-M1900, TOSHIBA RT-S713, RT-8490 SONY CFS F5, FISHER PH470, NATIONAL RX-5080, RX-5150. RX-5250
Ищу кассеты AKAI, AIWA, CROWN, SILVER и демонстрационные кассеты, всегда есть на обмен...
Последнее редактирование: 16 Нояб 2022 16:42 от black jack.
Администратор запретил публиковать записи.
|
Мои магнитолки со всего мира 06 Фев 2024 12:53 #9442
|
Добрый день ! Имею на борту СROWN 960, но для полного счастья не хватает наклейки. Не могли бы сбросить скан на электронку ?! А я либо денежку сброшу, либо фото демо-кассет Natiоnal/Panasonic которые собираю длительное время, и фото части которых, вместе с моими мафонами есть у Вас на сайте.
|
|
Администратор запретил публиковать записи.
|
Мои магнитолки со всего мира 10 Фев 2024 14:42 #9443
|
Могу поменяться на демокассету. До октября я на месте.
|
|
Ищу магнитолы Silvano KSC M1900, Nippon KSC-M1900, TOSHIBA RT-S713, RT-8490 SONY CFS F5, FISHER PH470, NATIONAL RX-5080, RX-5150. RX-5250
Ищу кассеты AKAI, AIWA, CROWN, SILVER и демонстрационные кассеты, всегда есть на обмен...
Последнее редактирование: 17 Авг 2024 15:13 от black jack.
Администратор запретил публиковать записи.
|
Мои магнитолки со всего мира 02 Июль 2024 09:51 #9453
|
DoDeCaHorn SFC-DW60
Магнитол из 90-х у меня не было никогда. И приобретать не пытался ни тогда ни тем более сейчас. Но бес попутал и все перепутал. Магнитольный бог в лице моего старого приятеля Димы послал магнитолу его тещи SONY. Родители-геодезисты были в Южной Америке и привезли из Никарагуа вот этот батончик SONY CFS-DW60 cо встроенным внутри сабвуфером. Параллон динамиков и канального саба обсыпался. Работает только радио. Даже эквалайзер и тот молчит. Но, как как по мне,подарок для души куда ценне магнитолы за 200 баксов. Чудо-юдо то какое. Каково же было мое удивление, когда я разобрал сие изделие, датированное клеймами на корпусе далеким 1986 годом. То есть эта магнитола совсем не из бандитских 90-х а ровесник Шарпов GF-939 и 800. Просто ее внешний вид обогнал будущее лет на десять. Разборка так же показала что в этой магнитоле фирма SONYне сэкономили ни на чем. Корпус ее конечно из черного пластика, но крашеного сверху, как в Саньё 9998! Одна дека автореверсная, за что инженерам большое спасибо! Потому что вторая обычная. Меньше возни. Хотя в целом ЛПМ произвел на меня весьма хорошее представление по ремонтопригодности. Я бы сказал, ювелирно грамотно сделанные обе лентопротяжки, менять пассик в которых не сложно. Для этого "откручивается" как пробка, электромотор на каждом механизме. Основная достопримечательность этой магнитолы - сабвуфер на борту. Да, да. Сзади магнитолы есть дополнительный басовый динамик на резиновом подвесе и туннельная система лабиринтной акустики с выходами и на лицевую панель. Отсюда и "уши" у магнитолы. www.avito.ru/moskva/audio_i_video/tonarm...y_nos_2026930718SONY CFS-DW60 Магнитола, которая меня удивила больше других. Весной товарищ подарил вот этот странный батончик с историей. Родители жены-геодезисты, работали в братском Никарагуа и привезли оттуда вот эту штуковину. На первый взгляд что-то традиционное для начала 90-х, когда китайцы наводнили рынки челночников с магнитолами International. Именитый бренд, автореверс на кармане меня особо не возбудили. Ну подарили и подарили. Вздохнул и оставил на шкаф до лучших времен, когда дожди пойдут и можно ремонтом будет заняться. Грязный как чёрт. Паралон грилей высох и обсыпался. Тяжеленный, пипец. Работает только правый канал. Обе деки молчат. Эквалайзер не отзывается. И вот, наконец, руки добрались до этого черного батона. Открутил винты, сдул пылесосом таракнов, отсоединяю лицевую панель и вижу клеймо производителя... Март 1986 года. У меня в руках не батон из девяностых, а ровесник SHARP GF-800 и WF-839. Магнитола не их заката, а еще эпохи расцвета. Корпус не просо черный. Под слоем грязюки он крашеный, много хрома и полно интересного функционала. Лезу копаться дельше, а в магнитоле собственный встроенный канальный сабвуфер. Третий динамик, на резиновом подвесе, находится сзади а уши по бокам динамиков - это фронтальные раструбы сабвуфера. Лентопротяжка реверсная на один карман и ремонтируется на ура. Приличный радиоприемник. Соберу: разберу. Что-то да молчит. Вроде все прочистил. эквалайзером обратился к приятелю, помочь починить. Оказалось, магнитола свой век прожила в частном доме, не раз на веранде да во дворе попадала под дождь и плата эквалайзера, которая находилась сверху, через прорези бегунков попросту заржавела. Две микросхемы под вэкинштэйн. Сегодня все работает. Басовитый не на шутку боец в строю. Грили отпескоструены и перекрашены. Завук - бомба. Вместо хлипкого паралона - текстильный фетр. В этом формате с встроенным сабвуфером немцы как-то выпустили что-то похожее. Совсем страшненький, но по такой же схеме. ТЕХНИЧЕСКОЕ ОПИСАНИЕ: Размеры: 540 x 168 x 149 mm. Вес: 5.4kg без батареек Мощность динамиков 2х 1,5W RMS Мощность встроенного сабвуфера 5W RMS Диапазон воспроизведения 150—10,000 Hz Сабвуфер: 4ома динамик 50-300Hz Радиодиапазоны: Frequency range US, Canadian, AEP, E, ITALY model: | FM: 87.6-—-108 MHz AM: 530—1,605 kHz G-AEP model: FM: 87.6—107 MHz AM: 530—1,605 kHz Лентопротяжный механизм такой же как на CFS-W50 (MF-DW60PB-06 | MF-DW6RP-06 ) Запись на кассету 4-track 2-channel stereo Normal 60-10.000 Hz Cro2. 40-14.000 Hz Размеры динамиков 10cm x2 Super woofer: 8 cm (31/, inches) dia x 1 Full-range speakers: 2W+2W (at 3.22, 315Hz, 10% harmonic distortion) Super woofer: 6W (at 4, 100 Hz, 10% Энергопотребление: 30 W
Вложения:
|
|
Ищу магнитолы Silvano KSC M1900, Nippon KSC-M1900, TOSHIBA RT-S713, RT-8490 SONY CFS F5, FISHER PH470, NATIONAL RX-5080, RX-5150. RX-5250
Ищу кассеты AKAI, AIWA, CROWN, SILVER и демонстрационные кассеты, всегда есть на обмен...
Последнее редактирование: 18 Сен 2024 15:41 от black jack.
Администратор запретил публиковать записи.
|
Мои магнитолки со всего мира 14 Авг 2024 23:27 #9458
|
Вложения:
|
|
Ищу магнитолы Silvano KSC M1900, Nippon KSC-M1900, TOSHIBA RT-S713, RT-8490 SONY CFS F5, FISHER PH470, NATIONAL RX-5080, RX-5150. RX-5250
Ищу кассеты AKAI, AIWA, CROWN, SILVER и демонстрационные кассеты, всегда есть на обмен...
Последнее редактирование: 17 Авг 2024 15:15 от black jack.
Администратор запретил публиковать записи.
|
|
etlik 1 день (57)
|
Время создания страницы: 0.954 секунд
















































































































