Добро пожаловать, Гость
Логин: Пароль: Запомнить меня
  • Страница:
  • 1
  • 2
  • 3
  • 4

ТЕМА: Мои магнитолки со всего мира

Мои магнитолки со всего мира 08 Янв 2015 13:01 #147

  • black jack
  • black jack аватар
  • Вне сайта
  • Модератор
  • Сообщений: 754


В количестве своих магнитол всегда стремлюсь к максимальному минимализму коллекции, которая вопреки моим стараниям все равно переодически впадает в кризис, когда их становится очень много, а я их приобретаю не для того что бы вооружить ими полк или поиграться и продать, а постоянно слушаю и использую по назначению. Мартышкин бизнес по перепродаже меня не возбуждает, и если появляются лишние музукальные жильцы, предпочитаю первобытный обмен.
Их идеальное количество было бы конечно 7 заглавных японских брендов, что бы каждый день недели слушать одну из них, но магнитольный бог искушает судьбу и подкиныдвет все новые и новые интересные игрушки.
В результате дома их намного больше желаемого и не спасают даже тещи и родители, которым я пытаюсь пристраивать излишки.
Есть дома и постоянные жители, которые обитают в моем доме не один десяток лет.
Новые приобретения стараюсь приобретатьв качестве сувениров в процессе заграничных поездок, как память о них.

Сейчас собираю исключительно магнитолы, кассеты магнитольных брендов и резиновых индейцев.

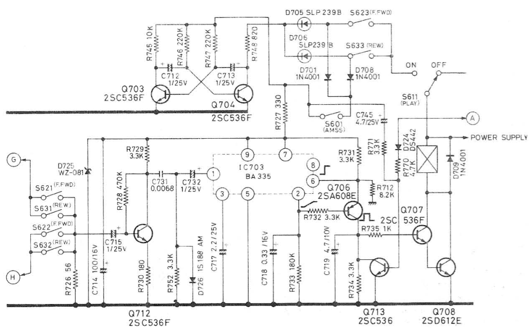
SHARP GF-6464 Cамый первый.

Начну с первой своей магнитолы, которая со мной с августа 1983 года. Не смотря на то, что это далеко не top of the top, а достаточно простой технически аппаратик, ни один другой меня никогда так не радовал. В те годы я на много потерял интерес к чему бы то еще, бо на тот момент жизнь состоялась и в отличии от всех моих знакомых у меня был настоящий японский магнитофон.

Дело было так. Как и тысячи других минских пацанов 80-х часть своей жизни я проводил в настоящем музее инопланетной радиотехники с другой планеты, купить которую можно было только в одном единственном месте - в комиссионке на Карла Маркса белорусской столицы.

Года два я "прожил" в комке. Денег у меня не было и на советский магнитофон. В семье кроме цветного телевизора "Горизонт" и вертушки "Вега-104", на которой я слушал единственный диск Judas Priest "Point of Entry", купленный на съэкономленные на булочках в школьной столовой деньги. Японский магнитофон мне не светил. Я долго часами высматривал на полках невиданные Саньё и Хитачи и даже купил свои первые фирменные аудиокассеты SHARP C-90, которые с надеждой вожделенно хранил, пока не поступил в военное училище.
Я приехал свой первый летний курсантский отпуск с нашивками второго курса и отец решил мне сделать подарок - купить японский магнитофон.
Естественно, я бросился в комок присматривать себе аппарат.
Как сейчас помню, глаза зацепились за SHARP-5454, которые были серебристого и кофейного цветов и стоили от 900 до 1200 советских рублей. Двухкассетники тогда только появились. Выглядели ужасно и стоили несусветных денег.
 В один из солнечных летних дней мы с отцом отправились за вожделенной покупкой.
Прямо у магазина к нам подбежал какой-то фарцовщик, который предложил за 900 рублей купить коробочный магнитофон SHARP-GF6464.
Так я не заходя в комиссионку, стал счастливым обладателем магнитолы, которая и сейчас со мной, исправна и до сих пор радует тем самым звуком, каким звучат восьмидесятые.
В далеком 1992 году эту магнитолу у меня украли квартирные грабители. Но Шарп снова нашелся. Видать, очень хотел вернуться домой.

Конструкционно очень надежная техника. Крепкая лентопротяжка. Цепкий радиоприемник.
Хорошее воспроизведение для 12см динамиков и керамических пищалок.
Записывать музыку на SHARP GF-6464 на кассету было ужасно из-за автоматического уровня записи. Зато с микрофона это чудо запросто записывало все что угодно. Один раз записался случайный разговор с абонентом из трубки находившегося в соседнем коридоре, телефона.
С появлением деки в доме АРУЗ пересаливающие быть трагедией, послужив причиной покупки стационарного магнитофона.

Слабое место магнитолы SHARP GF-6464, как и его родного брата 5454 - тумблер Radio/Тape, который ломается из за механических нагрузок включения и выключения. Но это несложно лечится. Есть проверенный способ. Больше в этом шарпе ломаться нечему. Вечный аппарат.

Ни у кого из своих знакомых и коллекционеров, кстати, больше не встречал 6464.

Любимый магнитофон жены в моей коллекции. Управление настолько традиционно интуитивно, что с ним справится любая домохозяйка. Хозяину тоже не нужно бежать за очками


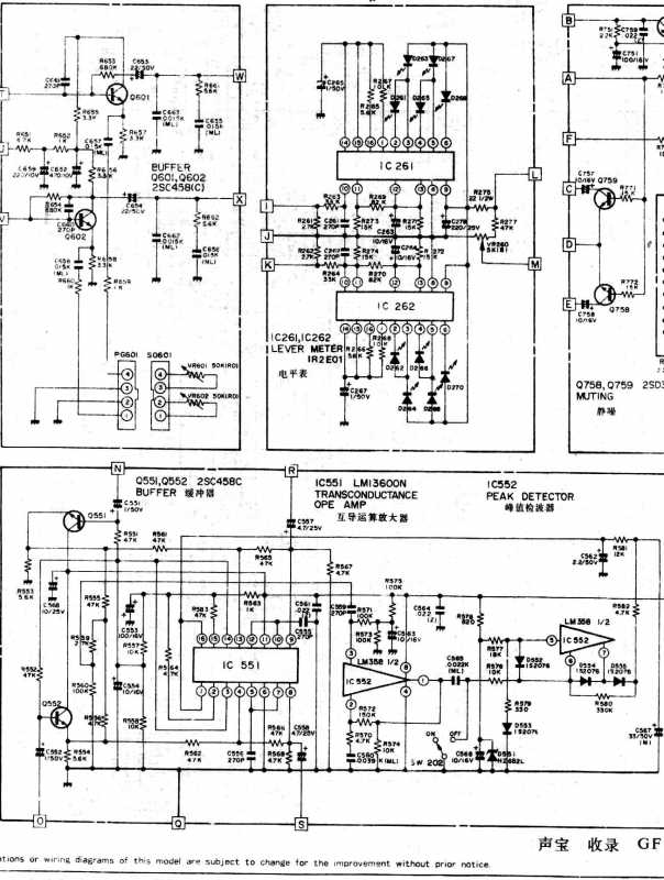
SHARP GF-6464



ТЕХНИЧЕСКИЕ ХАРАКТЕРИСТИКИ

Мощность: 9,6W (4,8х4,8W)
12см динамики + 2 пьезопищалки
50-10 000Hz
Диапазоны радио:
FM-87-108Mhz
LW 150-285k Hz
MW 520-1620 kHz
SW 5,95-18,0 Mhz
Вес: 4кг
Размер: 500х226х120мм


Даже сейчас я бы скорее избавился бы от своего другого шарпа GF-9696 чем от этого аппаратика.
У него именно тоз звук, который был и должен быть. Так звучит юность. Так звучат 80-е.
Вложения:
Ищу магнитолы Silvano KSC M1900, Nippon KSC-M1900, TOSHIBA RT-S713, RT-8490 SONY CFS F5, FISHER PH470, NATIONAL RX-5080, RX-5150. RX-5250

Ищу кассеты AKAI, AIWA, CROWN, SILVER и демонстрационные кассеты, всегда есть на обмен...
Последнее редактирование: 12 Янв 2021 00:44 от black jack.
Администратор запретил публиковать записи.
Спасибо сказали: scorpic, Siola, Пятак

Мои магнитолки со всего мира 08 Янв 2015 13:08 #148

  • scorpic
  • scorpic аватар
  • Вне сайта
  • Живу я здесь
  • Сообщений: 1118
Очени впечатлила круглая магнитолка "Три топора" :cheer:
Администратор запретил публиковать записи.

Мои магнитолки со всего мира 08 Янв 2015 13:21 #152

  • Siola
  • Siola аватар
  • Вне сайта
  • Живу я здесь
  • Сообщений: 742
Приветствую здесь!
Отличное хобби у Вас!!! Мне очень понравилось, что и схему выложили :-) !
Давайте продолжайте показывать, что у Вас есть и схемки не забывайте... мне, да и многим как воздух они иногда нужны! Если что, сюда зайдем и глянем из них, что нужно...
Респект Вам!!!
С Новым Годом и Рождеством!
(Смайлик "пиво" :-) )
Приземлился тут! И окончательно...
Последнее редактирование: 08 Янв 2015 13:25 от Siola.
Администратор запретил публиковать записи.
Спасибо сказали: Пятак

Мои магнитолки со всего мира 09 Янв 2015 20:30 #244

  • black jack
  • black jack аватар
  • Вне сайта
  • Модератор
  • Сообщений: 754
Следующая магнитола HITACHI TRK-8600 оказалась одной из самых дорогостоящих игрушек в моей коллекции и научила больше не делать подобных глупостей при покупке неизвестных суповых наборов.

Пришлось изрядно повозиться и нет ни малейшего желания вспоминать, что пришлось пережить, получив магнитолу с веером косяков да переломов. Возился долго и сегодня это одна из жемчужин, но стоимость ее больше угнетает, чем радует. Это недостаток дорого купленных магнитол. За 30-50 греют душу больше. Поверьте на слово. Нельзя дорого покупать магнитолы. Потраченные большие деньги угнетают и чувство совершенной глупости меня угнетало лет пять, пока наконец не отпустило, а мировые цены на старые бумбоксы не улетели вверх, словно бесхозные космические корабли.

Со временем я нашел родную заднюю крышку к этому аппарату. Приятель притащил оригинальную наклейку, снятую за ненадобностью со своей. Магнитола приняла первозданный внешний вид и для комплектности осталось найти только инструкцию.

Перепотрошив кучу магнитол я хочу признаться, что стал фанатом именно этого бренда. Буду настойчиво утверждать что из всех брендов именно у Хитачи лучший пластик корпусов и качество изготовления. К тому же богатая собственная элементная база и качественный крепкий металл. HITACHI незачем было экономить на поиске дешевых поставщиков, имея свою собственную промышленную базу в корабельной, электронной, химической и тяжелой промышленности.

HITACHI TRK-7600 сегодня одна из моих любимых магнитол, иметь которую приятно в том числе и по причине, что я ее в любой момент смогу отремонтировать своими руками. Ничего невероятного в этом аппарате для меня нет.

trk-8600.jpg


Что меня подвигло на глупую трату? В свое время, в далеком 1981 году в Минской комиссионке на Карла Маркса я увидел младшую сестру этого монстра TRK-8200 в потрясающем золотисто-коричневом исполнении и все эти годы я хотел именно эту магнитолу.

Искал другую, но в результате нарвался на эту, 8600.
Вот она, "дорогая женщина".


ТЕХНИЧЕСКИЕ ХАРАКТЕРИСТИКИ

Мощность: 2x15 W RMS (AC operation)
Размеры: 340(H) x 564(W) x 177(D) mm
Вес: 8.5кг (с батарейками)

50 to 12,000 Hz (Normal tape)
50 to 14,000 Hz (Chrome tape)
50 to 16000 Hz (Metal tape)

Трехполосная акустика
Динамики: 16cm x 2, 2x5 cm,2x3cm
Диапазоны радио: FM/MW/SW/LW[

1981 год выпуска

Я бы поменялся бы все-таки на TRP-8610, бо светодиоды я люблю больше чем стрелки.
Такой вот я странный.

Вложения:
Ищу магнитолы Silvano KSC M1900, Nippon KSC-M1900, TOSHIBA RT-S713, RT-8490 SONY CFS F5, FISHER PH470, NATIONAL RX-5080, RX-5150. RX-5250

Ищу кассеты AKAI, AIWA, CROWN, SILVER и демонстрационные кассеты, всегда есть на обмен...
Последнее редактирование: 01 Март 2023 16:03 от black jack.
Администратор запретил публиковать записи.
Спасибо сказали: Siola, Пятак, Sam18, АудиоЦарь

Мои магнитолки со всего мира 09 Янв 2015 22:51 #248

  • Siola
  • Siola аватар
  • Вне сайта
  • Живу я здесь
  • Сообщений: 742
Ну да... для магнитол светодиоды самое то! А вот для стационарных многие любят стрелки.
Ничего странного, так оно и есть :) !
Приземлился тут! И окончательно...
Администратор запретил публиковать записи.
Спасибо сказали: Пятак

Мои магнитолки со всего мира 10 Янв 2015 11:22 #281

  • black jack
  • black jack аватар
  • Вне сайта
  • Модератор
  • Сообщений: 754
CROWN CSC-960

Магнитола ко мне попала года три назад за скромные 45 долларов, что почти в десять раз дешевле того Хитачи, который вообразил из себя крутого. Дык вот этот, что подешевле, и есть наверно самый бескромистный геттобластер, слушать который в моей коллекции хочется не выключая.
Наверно самая сбалансированная и глубокая по звуку магнитола моей коллекции с безупречным на мой взгляд исполнением дизайна.

Старый хозяин берег и лелеял этот краун. Но это не помешало совершить ему несколько нелепых вторжений в схематику аппарата. Не выключался, видать со временем, электромотор и шаманы нам немного посвирепствовали. Магнитола покрашена необычным зеленоватым металиком, что выделяет ее на фоне остальных. Все квадратно и лаконично для классического геттобластера.

Внутри он такой же бескомпромисный и гениальный. Естественно, ритуал приобретения всегда сопровождается баптизмом колдовства с оттираниями, заменами резины и прочим косметическим лифтингом. При случае приобрел в Японии нужный тон для покраски роботов-трансформеров, что бы привести в порядок внешний вид этого аппарата, в который я безнадежно влюблен.

Сколько бы раз я не включал его, это один из самых уютных и глубоких по звуку магнитол моей коллекции. Даже если придется распродавать свои магнитолы, этот уйдет последним.



На другие крауны даже смотреть не хочу. Мне одного единственного предостаточно.

ТЕХНИЧЕСКИЕ ХАРАКТЕРИСТИКИ

Радиоприемник FM/SW2/SW1/MW
Мощность 6х2 (12W)
Размеры 537х290х125
Вес 6кг (без батареек)
Динамики 18смх2 5смх2
Частотные характериски
40-12500Hz Normal
40-14000Hz CrO2
Cкорость пленки 4,75м/сек

Пассик 12см х 3мм

Вложения:
Ищу магнитолы Silvano KSC M1900, Nippon KSC-M1900, TOSHIBA RT-S713, RT-8490 SONY CFS F5, FISHER PH470, NATIONAL RX-5080, RX-5150. RX-5250

Ищу кассеты AKAI, AIWA, CROWN, SILVER и демонстрационные кассеты, всегда есть на обмен...
Последнее редактирование: 12 Июль 2022 13:08 от black jack.
Администратор запретил публиковать записи.
Спасибо сказали: Пятак, Sam18

Мои магнитолки со всего мира 10 Янв 2015 15:00 #292

  • black jack
  • black jack аватар
  • Вне сайта
  • Модератор
  • Сообщений: 754
JVC RC M-70

Находясь под многолетним впечатлением от тещиного JVC, который играл невыносимо выразительно, даже при однополосной аккустике, меня разобрал интерес, а как же тогда должна играть аудиолегенда всего мира, знаменитая JVC RC M-70.
Искал я ее относительно недолго, более того, иностранный хозяин заплатил мне 400 долларов за то, что я ее заберу. Ну как я мог отказаться от такой удивительной сделки? Новерно в этом был некий сокральный умысел.
Магнитола долго ждала меня у приятеля за бугром, замотанная в руллоны целофана и только спустя полгода была по аказии передана в Беларусь.
Развернул, включил. Все молчит. Разобрал, нашел сгоревший предохранитель. Опять все молчит.
Думаю что за чертовщина?
Начал пытаться разбираться сам. Потом призвал к помощи богов. Они настоятельно нашептали мне прибегнуть к помощи всесильного друга-мастера, у которого магнитола провела месяца три, пока не прозвучал приговор - М70 бывший хозяин воткнул в 220 вольт при переключателе 120 и сгорело практически все что должно было сгореть.
А потом началось самое веселое. По мере поступления проблем, пришлось искать выгоревшие элемены в Белорусии, в России и венец всему, в США только была найдена задорого микросхема управления лентопротягом, которая была приобретена в парном, на всякий случай экземпляре.
В общем часть денег улетучилась на извращенный ремонт.
Зато через год возни у меня теперь есть огромная исправная, тяжеленная магнитолища JVC RC-M70, наименования деталей которой я некоторые помню наизусть. Слпава богу догострой закончился и даже заработал приемник, фильтр которого разнесло взрывом при включении.
Как играет JVC RC-M70? Очень громко. Расстрою чайников, пытающихся выяснить что же все таки должно играть лучше? Дык вот, все магнитолы играют индивидуально и по своему хорошо.
Которые играют плохо, у меня нет. Может потом куплю.
Чо мне в ней не нравится - ну вот ненавижу я ползунковые регуляторы. Люблю ручки крутить... кругленькие.


333_2020-09-18-2.JPG



ТЕХНИЧЕСКИЕ ХАРАКТЕРИСТИКИ

Частотная характеhистика
30-16,000Hz (with metal tape)
30-15,000Hz (with chrome tape)
30-14,000Hz (with normal tape)
Мощность 30W (15Wх15W)
Динамики 16 cm и 2, 5 cm (2")
Размеры 55.4 x 30.3 x 15.1 cm
Вес: 9.0 kg

Мульти сканер автоматически распознаёт до 16 песен.
•Магнитная голова SA (Sen-Alloy)
пассики FRM 9,6mm SCY 7,0mm

ВИДЕО:


Поменяюсь за бронзовую версию для американского рынка.

CХЕМА JVC RC-M70
Вложения:
Ищу магнитолы Silvano KSC M1900, Nippon KSC-M1900, TOSHIBA RT-S713, RT-8490 SONY CFS F5, FISHER PH470, NATIONAL RX-5080, RX-5150. RX-5250

Ищу кассеты AKAI, AIWA, CROWN, SILVER и демонстрационные кассеты, всегда есть на обмен...
Последнее редактирование: 10 Сен 2021 22:57 от black jack.
Администратор запретил публиковать записи.
Спасибо сказали: scorpic, Пятак, Sam18

Мои магнитолки со всего мира 10 Янв 2015 19:38 #310

  • black jack
  • black jack аватар
  • Вне сайта
  • Модератор
  • Сообщений: 754
JVC RC-565


DSC_2949.JPG



Волшебная магнитола моей тещи. Я мог этот агрегат всегда переселить жить к себе, но у меня своего барахла не хата а склад, а тут приезжаешь к теще в Гродно, разок, года этак в три, а там уже есть цаца FM погонять.
Шо это перед вами? Это замаскированый под простецкий аппарат мегамонстр одного из самых звучащих брендов Японии. ДОдна из самых играющих на мое медвежье ухо магнитол этой фирмы JVC RC-565.
При всей внешней простоте это именно так.
А секрет в необычайном звучании при этих габаритах фирменной викторовской системы BIPHONIC.
Когда-то я думал что это самая младшая модель этого семейства, а вот и нет. Есть, оказывается, и помладше.
Ах как вот как это изделие играет с включенным бифоником!!! А какой там пятидиапазонный приемник!
Как пишет АРУЗ сейчас уже и вспоминать как-то неприлично, бо никак не актуально это сегодня.
Тут же и мои любимые пластиковые грили, у которых в отличии от металлических нет резонанса. А ля sharp gf-5454
Привезен мафон был тестем из СГВ, и на тот момент жену я брал ... с японским магнитофоном, что в те времена было равносильно сегодня девушке, упакованной Порше Кайен, только покруче.
Но поскольку у меня уже был на тот момент свой SHARP GF 6464, этот мафон и оставался радовать хозяев в Гродно..

Много раз я его разбирал и обслуживал. Магнитола - младшая сестра и во многом внутри близнец не мнеее легендарного чемпиона по звуку, среди магнитол с 12см динамиками, магнитолы JVC RC-575, которая была у меня в коллекции по наследтству от сэра Германа Эстонского.

По звуку эта штуковина - самый прямой конкурент тому самому чемпиону. Ну не хватает там двух пьезопищалок. Ну и не нужны они там. По магнитолам с бифониками много споров и недовольств. Ну так, господа, вы не те бифоники слушаете. Этот бифоник не уступает даже такому тоже, незаслуженно не приследоваему коллекционерами, но от этого не менее выдающемуся агрегату как RC-656

В общем, несмотря на то что у тещи уже был такой магнитофон, как неприкосновенная память, я развернул охоту за еще одним 565. Уж очень они мне нравятся. Но беспощадное время таки все расставило по своим местам. 17 июня 2017 Клавдия Никитична скончалась и этот осиротевший магнитофон с ее кухни, помнивший запах блинов, переехал жить ко мне. Никто по этому поводу не сопротивлялся. Кому же еще достанется такая память как ни ко мне?

Восстанавливать пришлось изрядно:
Разобрал до последнего винта что бы попытаться отмыть. От цели, вижу, я далек. В лучшем случае, на пол пути.
А вот и ЛПМ. Точно такая же как на 575. Следующий сюрприз - стирающую голову разнесло, словно от направленного взрыва.
Доставл новенькие и красивые и уже впаял. Но вот в чем прикол.
Оказывается в Гродно его тесть отдал в ремонт и там уже установлена венгерская голова BRG вместо родной JVC. Мародеры-ремонтники посвирепствовали.
На клавишах остались следы от муки для моих любимых блинов. Отварил со стиральным порошком, отмыл со щеткой и покрасил из баллончика серебрянкой. Потом поставил на полку, бо задолбался с ним изрядно работать сотрудником химчистки.

Дней эдак через 5 спустя магнитола огорчила меня тем, что ЛПМ молчал. Разобрал все снова. Оказывается когда последний раз лазил и оттирал маховик, забыл пассик на место поставить. Но и это не всё. Пассик надел но двигатель не стартует. Все отсоединил-прочистил-оттер-присоеденил. Молчит. Взял тестер- молчёк. Пощелкал переключателем радио-магнитофон-АУХ - двигатель оживет на пару секунд и снова стоит. Начинаю щелкать - снова пару раз крутанет и заглохнет.
Сделал звонок другу. Друг ответил что надо начинать с релюшек на ЛПМ. Почистил - она там всего одна.
Добераться несложно.
JVC ожил и мотор затарахтел, перемотки закрутились, но основной привод молчит. Поиграл со всякими прижимными колесиками - пружинка одна малюсенькая ослабла. Снял- подтянул. Работает.
Прием был невнятный. Но я то помню, что магнитола всегда играла замечательно. Оказывается там на плате приемника несколько фишек разных, куда антенну подключать. Предшествующий самоделкин не туда антенну подключил.
В общем, за 45 минут магнитола закрутила, заиграла. Еще была пара косметических косяков, но это были уже мелочи мелочи.

Бывший дворец и обитель гродненских тараканов был доведен до механического лоска, гламурного блеска и переехал жить в богатый бобруйский особняк сестры жены.

Как я уже упомянул, я продолжил охоту за RC-565 c задачей найти такую магнитолу в идеальном состоянии. И я ее нашел. И снова из Польши, приехал новеханький, муха не сидела, аппаратик с родными наклейками в версии LE. И вот тут я столкнулся с неожиданным для себя открытием. В версии RC-565LE Limited Edition японцы, специально для рынка стран социалистического лагеря, граничащих с проклятыми по тем временам капиталистами, всунули в этот аппарат то, чего нет ни в одном другом JVC. А именно - ДВА СТЕРЕОДИАПАЗОНА!!! Первый для всеми любимого УКВ и второй - FM, слушать тлетворности противного противника и его разлагающую буржуазную музыку. А это и сегодня для магнитол супернонсенс, благодаря которому можно слушать в стереовещание обсолютно все и в Беларуси Лукашенко и путинскую пропаганду и новости успехов ВСУ Украины. 5 диапазонов, из которых два- стерео, Карл! Как я ни искал, такого жирного радионабора я не нашел ни в одной другой магнитоле JVC, ни в Шарпах десятой серии. Без всякого преувеличения могу сказать что именно RC-565 переживет абсолютно все магнитолы, как аппарат с самым просто обслуживаемым и надежным ЛПМ. Просто-не просто а в лентопротяжке предусмотрена даже настройка положения движения пассика в механизме. Это второй знак монстра. С управлением этой магнитолы разберется с первого раза не только домохозяйка, но и школьник, не видевший ничего кроме сотового телефона. Она проще блютузколонки по функционалу. шедевральная простота и надежность. Одна из самых мною любимых и уважаемых магнитол, которую хочется слушать не переставая и не нужно прятать от проказников детей, поскольку это самый антивандальный и надежный аппарат из виденных мною за десятилетия ремонта и собирательства подобных изделий.
Слава JVC-565, жiве JVC-565, алга JVC-565!





ТЕХНИЧЕСКИЕ ХАРАКТЕРИСТИКИ

5-BAND (FM/AM/SW,/SW2/SW3)
BIPHONIC/STEREO RADIO CASSETTE RECORDER
Динамики 12cm
Размер: 515 x 205 x 105 mm
Мощность: 5.5х5.5(11W)
240; 220; 110/ 12 Volt
1981 год выпуска
Вес: 4.2kg


обмер идлера на JVC RC-565
внутренний диаметр - 9мм
внешний -13мм
ширина - 5мм


пассики - FRX-11,2mm SCY-4,5mm

Извините, но схемы на эту магнитолу у меня нет.
Ищу магнитолы Silvano KSC M1900, Nippon KSC-M1900, TOSHIBA RT-S713, RT-8490 SONY CFS F5, FISHER PH470, NATIONAL RX-5080, RX-5150. RX-5250

Ищу кассеты AKAI, AIWA, CROWN, SILVER и демонстрационные кассеты, всегда есть на обмен...
Последнее редактирование: 02 Окт 2022 13:33 от black jack.
Администратор запретил публиковать записи.
Спасибо сказали: Пятак, Sam18

Мои магнитолки со всего мира 13 Янв 2015 20:05 #490

  • black jack
  • black jack аватар
  • Вне сайта
  • Модератор
  • Сообщений: 754
SHARP GF-9696

Следующий магнитофон попал ко мне совсем даже не из-за бурга, а из города Могилева. Хозяин отдал мне его за символическую сумму, сказав что главное, что бы SHARP GF-9696 обрел того, кто будет о нем заботится. Когда я получил сообщение от этого доброго человека, я решил бросить все дела, прыгнуть в машину и отправиться в Могилев. Залез в интернет глянуть маршрут и ахнул, когда узнал расстояние. Расходы на бензин втрое превысили бы стоимость магнитофона. Потом вспомнил, что в этом городе есть одноклубник Леша, который вероятно бы помог передать магнитолу с аказией.
Связался, перевел деньги и дождался обновки.

Магнитола приехала в ужасном состоянии, тяжеленная как чемодан керпичей. Когда развернул, увидел, что магнитола облита неизвестной липкой темно-коричневой субстанцией. Я подумал сперепугу, что это постарались тараканы. От души отлегло, когда оказалось, что бывшие хозяева наверно подрались на кухне и плескали друг в друга растворимый кофе.

Кофе запросто отмылся обычной горячей водой со стиральным порошком, а вот внутри пришлось работать щеткой и спреем для чистки контактов. Платам и лентопротяжке каким-то невероятным образом тоже досталось от коричневой кляклой фигни.

Данный магнитофон был куплен в городе Сана, в Йемене, выпущен для арабского рынка и отличается некоторыми характеристиками и цветовым исполнением от других версий.

Аппарату досталось не только от хозяев, но и от времени. Долго не мог разобраться, почему же после установки новых пассиков (старый шириной 4мм!!! и длиной 12см растянулся) ЛПМ только перематывает.

Оказалось что подмоточный ролик на шкиве маховика растаял и превратился в смолу.
Разглядеть его первого раза оказалось сложным. Особенно, когда его и нет. Долго отмывал липкую грязь спиртом, а потом мастерил из шланга велонасоса имплантант. Размер его 5мм и диаметр 4мм. У аппарата вместо предохранителя 2А стоял толстенный жучок.


1-9797.JPG



ТЕХНИЧЕСКИЕ ХАРАКТЕРИСТИКИ

Диапазон приемника:
FM 87,6-108 Mhz;
SW 5.95-18 Mhz;
LW 150-285 Mhz;
MW525-1605 kHz
Коф. детонации
DIN 45511 (Стандарт Германии): - +0,17 %
Воспроизводимые частоты:
Normal 30-14000Hz;
CrO2 30-15000Hz;
Metal 30-17000HZ
APSS/APLD: APLD
Выходная мощность
MPO (DIN 45 324) 2x13 W (26W)
Динамики
2x18cm (Woofer);
2x5cm (mid-range);
2x(tweeter)
Энергопотребление
AC 120V 50/60Hz 40W
DC 15 v от 10 батареек или от прикуривателя
45 транзисторов
35 диодов
24 светодиода
Размеры: 556x310x143mm
Можно подключить выносные колонки 4-8Ом
Вес без батареек: 8,9 kg


У аппарата были обслужены потенциометры, выставлено вращение двигателя по тестовой кассете и заменены пассики, заменена головка.

Впечатления от этого классического геттобластера немного противоречивые. Честно говоря, я ожидал от трехполоссной аккустики чего-то более невероятного. Посмотрев на другие магнитофоны внутри, пришел к выводу, что конструкционно он черезмерно загроможден. Вояж с таким аппаратом по улице равносилен прогулке с пудовой гирей.

Пассики
FRW 10,1
SCX 7,0
SCX 7,4

Вложения:
Ищу магнитолы Silvano KSC M1900, Nippon KSC-M1900, TOSHIBA RT-S713, RT-8490 SONY CFS F5, FISHER PH470, NATIONAL RX-5080, RX-5150. RX-5250

Ищу кассеты AKAI, AIWA, CROWN, SILVER и демонстрационные кассеты, всегда есть на обмен...
Последнее редактирование: 11 Янв 2021 21:53 от black jack.
Администратор запретил публиковать записи.
Спасибо сказали: scorpic, Siola, Пятак, Sam18

Мои магнитолки со всего мира 14 Янв 2015 20:28 #539

  • black jack
  • black jack аватар
  • Вне сайта
  • Модератор
  • Сообщений: 754
AIWA CS-J77

Настоящая японка AIWA CS-J77 мне досталась бесплатно через целую серию обменов. Сначала мне подарили магнитофон, который у меня уже был. Его из-за бугра поменял на другой, который совсем в другой стране выменял на этот.
Честно скажу, что AIWA CS-J77 наверное наиболее глубокая по звуку из моих магнитол, поскольку играет она безупречно. Особенно хочется выделить две функции. Первая, это система расширения динамического диапазона DSL, благодаря которой появляется такой глубокий насыщеный звук, что слушать ее не выключая, хочется бесконечно. Причем, в отличии от AIWA CS-600, у которой подъем низов происходит революционно, в J77 он диликатно ненавязчив но результат невероятен.
Вторая - это функция "прилипания" FM диапазонов AFC, что выделяет мою магнитолу как моего чемпиона по приему стереопередач.

Внутри эта огромная магнитола достаточно просторна, но в электронную часть, располагающуюся вверху, прямо хоть не лезь. В профилактике это не самый удобный аппарат.
Да это и не главное. Когда пришлось разобраться с переключателем диапазонов приемника, когда пропадал один из каналов, с этой проблемой я минут через десять разобрался.
Дизайнерская компановка, и по фотографии видно, из ряда вон необычна, что резко выделяет ее из
других магнитол моей коллекции.
J77 из тех аппаратов, который живьем выглядит намного обаятельнее, чем на фото. У нее есть некоторый женский шарм. И звук обвалакивает. Более того, у меня всего три магнитолы, которые без искажений терпят любую громкость, как ручку не выкручивай. И странные паспортные 10 ватт мощности не показатель. Она переорет всё!
В этом отношении эта AIWA гениальна.

Единственная альтернатива, которую я ей вижу, это версия с квадратными динамиками CS-J77a.
Даже в приобретении высшей "Юнкерс J88" я очень сомневаюсь, бо убежденный не сторонник цифровых тюнеров, а в 77й он как раз, как надо, аналоговый. На магниоле есть система поиска пауз на кассете. Судя по техническому описанию до 15 треков. Никогда не использовал. Надо попробовать.

Шкала имеет подстветку, которую когда нибудь доберусь переделать на светодиодную.
В магнитоле интересно решена система автопоиска, где включается красивый глаз счетчика песен.
Что немало важно в большой коллекции, у CS-J77 все кнопки и ручки вынесены на переднюю панель.
То есть на нее можно спокойно поставить другой аппарат.

j77.JPG


ТЕХНИЧЕСКИЕ ХАРАКТЕРИСТИКИ

Энергопортебление 17W

54 dB (LH tape Dolby NR off)
65 dB (Dolby NR on METAL)
0.038% (WRMS)
Воспроизведение 4.8 cm/sec

LH tape: 35—12,500 Hz,
Cr02 tape: 35—13,000 Hz
METAL tape:35—16,000 Hz

Радиоприемник AFC
FM: 76—108 MHz
AM: 525—1 605 kHz
Выходная можность 10w(5w+5w)EIAJ/DC
Cхематика 68 transistors, 30 diodes,10 ICs, 12LEDs
Батарейки DC 13.5 V (UM-1 x 9)
Динамики
Tweeter 50 mm x2
Woofer 160mm x2
Размеры 586(W)x310(H)x192(D)mm

Вес 7.5kg


Длинна веньерной нити - 1 метр

ЭЛЕКТРИЧЕСКАЯ СХЕМА
естественно, все заргуженные электросхемы у меня есть в высоком разрешении в домашнем архиве.
Вложения:
Ищу магнитолы Silvano KSC M1900, Nippon KSC-M1900, TOSHIBA RT-S713, RT-8490 SONY CFS F5, FISHER PH470, NATIONAL RX-5080, RX-5150. RX-5250

Ищу кассеты AKAI, AIWA, CROWN, SILVER и демонстрационные кассеты, всегда есть на обмен...
Последнее редактирование: 27 Сен 2024 15:01 от black jack.
Администратор запретил публиковать записи.
Спасибо сказали: Siola, Пятак, Sam18, kvv12, amati_ekb

Мои магнитолки со всего мира 18 Янв 2015 10:51 #603

  • black jack
  • black jack аватар
  • Вне сайта
  • Модератор
  • Сообщений: 754
SILVER ST-858


11_2020-04-23.JPG



Cледующая магнитола у меня появилась так же в результате множественных манипуляций по обмену.
Была у меня когда-то магнитола PIONEER, которая перехала жить в Евросоюз, откуда за него ко мне прибыло две других магнитолы. На одну из них, на SONY CHF-81 я выменял уже в Беларуси прединфарктного SILVER ST-858 с неработающи ЛПМ и напрочь ржавымигрилями.
Пришлось изрядно повозиться с имлантом клавиши "стоп". Магнитола постоянно выключалась пока не заменил растянувшийся пассик к магниту датчика Холла. С капризным лифтом тоже пришлось порядком повозиться. Грили были сняты, обработаны цинком и перекрашены. В течении недели я многократно собтрал и разбирал магнитолу, пока не опрелелил от чего зависит включение режима записи.
Особенно вынесла мозг истертая вхлам магнитная головка, которую очень трудно заменить аналогом из-за нестандартного размера крепления.

Когда все заиграло, аппарат реально порадовал неожиданным жирным богатым звуком. Наверно ни одна другая магнитола так не звучит кроме ее тайваньского брата MONTGOMERY WARD.
Cреди прочих достоинств SILVER ST-858 огромная красивая шкала приемника с подсветкой. Но тут надо быть острожнным. Конструкция веньерного механизма , мягко скажем, нелюбит, когда кто-то с усилием его перекручивает. Я долго провозился с проскальзованием веньерной нитки, пока не удалось слелать насечки на одном из шкивов.
Детей и жен к приемнику этой магнитолы лучше не подпускать. Скрутят.

Аппарат исключительно играет при включении режимов тонкомпенсации. Плюсов в нем столько, что ни один шарп тех времен рядом не стоял. Огромные 16 см динамики и 5см твиттеры выдают невероятное, но после половины громкости начинают ухать, словно у вас какой-то GF-777.
В магнитоле реализова система поиска по паузам, но она не столь вычурна, как у других магнитол.
Весит она нехило и создана не для прогулок.
Особенности этого аппарата в том, что два зеленых вертикальных индикатора магнитолы не функцианируют при включенном приемнике, а только когда включена кассета или стоит на записи.
Наверное это одна из самых необычных внешне и качественных по звуку среди классических геттобластеров. Мой магнитофон мне порядком вынес мозг, но я его все таки победил, хотя постоянно присутствуюет желание снова туда залезть и что-то переделать.




ТЕХНИЧЕСКОЕ ОПИСАНИЕ МАГНИТОЛЫ

КАССЕТНАЯ ЧАСТЬ
Скорость воспроизведения: 4.75 cm/sec.
Частотная характеристика
воспроизведения с кассеты: Normal: 60 ~ 15,000 Hz
Cr02: 60 ~ 16,000 Hz

РАДИО
Рабочие диапазоны: FM: 87.5 ~ 108 MHz
MW: 525 ~ 1605kHz
SW1: 1.6 ~ 4.5 MHz (187.5 ~ 66.7 m)
SW2: 4.5 ~ 12 MHz (66.7 ~ 25 m)
SW3: 12-26.5 MHz (25- 11.3 m)
Антенны 2: FM: telescopic antenna or external antenna
SW2, SW3: telescopic antenna
MW, SW1: high-gain ferrite-rod type
FM Stereo разделение: 35dB (at 1 kHz)

Внешние динамики: 4 ~ 8 ohms
Наушники: 8 ohms
Рабочее напряжение: AC 110 ~ 127V/220 ~ 240V (переключаемые), 50/60 Hz
Batteries: DC 13.5V, 1.5-volt "D" size or
UM-1 (A) flashlight batteries (9)
Внешний источник: DC 12 ~ 14V
Потребление энергии: 40W maximum
Динамики: Woofers: 160 mm, 4 ohms, dynamic (2)
Tweeters: 50 mm, 8 ohms, dynamic (2)
Размеры: 522 (W) x 147 (D) x 331 (H) mm
ВЕС: 8.6 kg ( с батарейками )


в хорошем разрешении у меня есть service manual

ЭЛЕКРИЧЕСКАЯ СХЕМА
Вложения:
Ищу магнитолы Silvano KSC M1900, Nippon KSC-M1900, TOSHIBA RT-S713, RT-8490 SONY CFS F5, FISHER PH470, NATIONAL RX-5080, RX-5150. RX-5250

Ищу кассеты AKAI, AIWA, CROWN, SILVER и демонстрационные кассеты, всегда есть на обмен...
Последнее редактирование: 23 Апр 2020 00:22 от black jack.
Администратор запретил публиковать записи.
Спасибо сказали: Kamocki, etlik

Мои магнитолки со всего мира 18 Янв 2015 20:38 #615

  • black jack
  • black jack аватар
  • Вне сайта
  • Модератор
  • Сообщений: 754
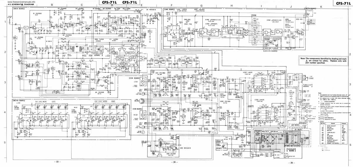
SONY CFS-71L

Для того что бы собирать магнитолы совсем не обязательно их покупать. часто они просто попадаются бесплатно. Эта магнитолка в ужасно непрезентабельном состоянии мне попала за услугу. Честно говоря место ей было предначертано работать радио и тихо умереть на полке в гараже, но я разглядел в ней замечательный гетобластер, который после долгого косметического восрешения перехал жить в качестве подарка моему отцу.

В стремлении к лаконичности коллекции я выкручиваюсь как могу, поскольку никогда не рвался в прапорщики, начальником склада. Ни одной магнитолы одинаковой марки в доме - это главный лозунг моей концепции, хотя эти громыхающие чертяки всячески пытаются меня победить и плодятся со скоростью котят, а я их "топлю".

В особых случаях меня выручают родственники и некоторые экземпляры переезжают к ним.
К тому же агнитолка SONY CFS-71 категрически не вписывалась в мою коллекцию, бо по размерам выпадала из общей кучи благодаря своему небольшому размеру.

Но если прокрутить врямя назад, именно SONY CFS-71 я бы больше всего хотел бы наверное иметь во времена Олимпиады 80. Именно в этот год выпускали эту магнитолку. Это идеальный бумбокс со всеми признаками классической магнитолы. Обалденные двойные решеки грилей. Двойные, шустрые индикаторы. Автопоиск. Выдающийся интересный характерный звук для тех лет. Шикарный "липкий" радиоприемник.

Внутри магнитолы капаться одно удовоьствие. Огромный трансформатор. Доступная предсказуемая лентопротяжка. Идеальный небольшой но тяжелый магнитофон слушать "Вражьи голоса".
Магнитолка подверглась перекраске и замене алюминиевых панелей. Сейчас имеет вид практически новой. Заменена магнитная головка.
Иногда этот маленький геттобластер отправляется на природу. Он для этого и создан. На рыбалку и дачу лучшего помощника и не представить.
По ощщущениям это какой-то необычайно уютный и теплый магнитофон, чем не обладают многие мои другие.


hf7484fd.JPG



ТЕХНИЧЕСКИЕ ХАРАКТЕРИСТИКИ

Размеры: 442 x 252 x 125 mm
Приемник FM/AM/LW/SW
FM: 87.5 - 108 MHz,
MW: 530 - 1605 KHz,
SW: 6 - 18 MHz,
LW: 150 - 350 KHz,
tape counter,
AMS-система поиска до трех пауз,
Воспроизведение:
CrO2 80-9.000 Hz
Normal 80-8.000 Hz
Динамики:
2 x 12 cm
2 x 5 cm
Выходная мощность:
2 x 7.5 W
Вес: 3.7 кг


ЭЛЕКТРИЧЕСКАЯ СХЕМА
Вложения:
Ищу магнитолы Silvano KSC M1900, Nippon KSC-M1900, TOSHIBA RT-S713, RT-8490 SONY CFS F5, FISHER PH470, NATIONAL RX-5080, RX-5150. RX-5250

Ищу кассеты AKAI, AIWA, CROWN, SILVER и демонстрационные кассеты, всегда есть на обмен...
Последнее редактирование: 23 Апр 2020 00:24 от black jack.
Администратор запретил публиковать записи.
Спасибо сказали: scorpic

Мои магнитолки со всего мира 23 Янв 2015 20:50 #784

  • black jack
  • black jack аватар
  • Вне сайта
  • Модератор
  • Сообщений: 754
Магнитола SONY CHF-66 в моей коллекции вовсе и не планировалась. Как и предыдущая. Банальный пользователь, я начитался интернета о том что серия CHF не играет и теоретически на марку SONY как производителя достойных магнитол, можно ставить большой жирный крест.
Но тут пришло неожиданное письмо из Крыма с целым каскадом предложений от приобретении нескольких редчайших магнитол, среди которой и оказалась и вот эта, оцененная хозяином в российских рублях в эквиваленте долларов эдак на сорок (а по нынешнему двадцать пять).
Ну почему бы и не взять поиграться необычную штуковину. Магнитолка приехала летом с аказией из Евпатории, хорошо упакованная в пенопласт и картон.
По косметике этому аппарату досталось по полной программе и я долго терялся как сделать из данного аппарата что-то похожее на конфктку.
До его появления я не предполагал, что существует версия SONY CHF-66 не для рынка Японии, а с полноценной шкалой для наших краёв радиоприема. Именно так и оказалось.
Когда я понес выбрасывать картонную коробку, прямо на мусорке из нее выпало ... оригинальное техническое описание аппарата.
С косметикой пришлось повозиться достаточно долго. Особенно с кнопкой открывания подкассетника, куда предыдущий хозяин бережно и трепетно вмонтировал кусок любимой зубной щетки фирмы Coolgate.
Вторая техническая "радость" доставила достаточно хлопот, бо то кнопка не контачила, то левый канал пропадал. Причина была в старческой болезни - кольцевых трещинах платы, которые нашел только разобрав магнитолу до потрахов, что бы найти их и пропаять.
Третья техничкая подлянка была зарыта в необычном механизме ЛПМ, а именно в механихме демпфирования и открывания подкассетника, который в этой магнитоле не отстреливается а выёзжает, как челюсть у мурены.
Головоломкой оказалось и простое движение по банальному удалению обычной ручки настройки приемника, которая сделана их огромного куска металла внутри и просто туго снималась.
Когда закончилась инсталяция нового винилового стекла шкалы и весь прибор был собран, магнитола как-то очень не по соневски заиграла. Технически казалось, что это однокласник по функциям SHARP GF5454. Но воореженный шикарной двухполосной аккустикой с 16см огромными динамиками и роскошным синим циферблатом стрелок, этот аппарат резанул по ушам не только сочным прокаченым звуком, но и особой его сбаласированностью.
По деталировке и исполнению 66 уж очень напоминает ... AIWA CS 77.
SONY обсолютно не врет, а может и занизила выходные 6W на канал. Это очень громкий магнитофон.
Размеры настоящего геттобластера, а не недоросля-лилипутки.


2_2015-07-05_2020-04-23.JPG



ТЕХНИЧЕСКИЕ ХАРАКТЕРИСТИКИ:
Можность 6W x 2
Диапазон приемника: (сравните с 71 сонькой)
Приемник FM/AM/LW/SW
FM: 87.5 - 108 MHz,
MW: 530 - 1605 KHz,
SW1: 2,3 - 6,2 MHz,
SW2: 7 - 22 MHz,
Воспроизводимаые частоты:
40-10000Hz NORMAL
40-12000Hz CrO2
40-13000Hz Metal
Интересная характеристика - в режиме записи магнитола теоретически на комплекте батареек должна функционоровать около 12 часов...
Динамики: 16см х 2 и 4см х 2
Размеры: 520х252х146см
Вес: 6,5кг


К моему огромному стыду, принципиальной электросхемы у меня нет, но я надеюсь что когда-нибудь интернет поработает на меня и мне ее пришлют добрые люди.
Вложения:
Ищу магнитолы Silvano KSC M1900, Nippon KSC-M1900, TOSHIBA RT-S713, RT-8490 SONY CFS F5, FISHER PH470, NATIONAL RX-5080, RX-5150. RX-5250

Ищу кассеты AKAI, AIWA, CROWN, SILVER и демонстрационные кассеты, всегда есть на обмен...
Последнее редактирование: 23 Апр 2020 00:30 от black jack.
Администратор запретил публиковать записи.
Спасибо сказали: Sam18

Re:Мои магнитолки со всего мира 26 Янв 2015 20:40 #1033

Гораздо эффективней работает форум в виде блога..Автор, сам заинтересован в том, чтоб контролировать свое детище.
Рад помочь...!!!
Администратор запретил публиковать записи.
Спасибо сказали: Sam18

Мои магнитолки со всего мира 26 Янв 2015 20:41 #1034

  • black jack
  • black jack аватар
  • Вне сайта
  • Модератор
  • Сообщений: 754
TOSHIBA RT-9990SM

Следующая магнитола приехала из далекой Японии в моем рюкзаке. Магнитола-мечта. Топовая 9-я серия фирмы Toshiba.

Когда-то моему одноклубнику по парашютным прыжкам на Боровой, Вовке Киселеву родители привезли из богатого и процветающего в те времена, братского Ирака магнитолу Toshiba, на которой мы вожделенно слушали с кассеты KISS. Помнится, неизгладимое впечатление на меня производил тошибовский режим WIDE, когда музыка буквально врывалась в мозг.

И вот три года назад у меня случилась очередная командировка в Японию, где у меня лет двадцать как уже живет приятель, Андрюха. Ну а поскольку в те времена на аукционах Японии был огромный выбор, я попросил прикупить для меня две магнитолки Toshiba.

Эта магнитола была приобретена за символические 6,5 долларов, а жена-японка забрала ее по случаю в соседнем районе.
Магнитола прекрасно принимала не только FM, но и все телеканалы, а так же рекламу из соседних супермаркетов. Причем в каждом новом квартале супермаркет, канал приема и реклама уже были совсем другие. ЛПМ шелестел, но упорно молчал.
Магнитофон подешевле, как это обычно бывает, оказался в более приличном состоянии, чем второй, купленный за 17, хоть и с несущественными косметическими косяками, которые предстояло устранить.

TOSHIBA RT-9990SM проехала со мной всю Японию от Токио до Окинавы. Пересекла кучу границ, побывала со мной даже в Шанхае и, наконец, прибыла в Беларусь.

Дома состоялось препарирование аппарата, которое выявило причину молчания лентопротяжки.
В ней банально "растаяли" пассики. Пару раз я испачкал ковер, но с грязюкой расправился с помощью авиационного спирта из старых запасов, слитого с военных самолетов знакомыми прапорщиками-технарями.
Пассики в обоих Тошибах казались обычной четырехугольной формы, узкого типа. По моему по 12см.
ЛПМ в RT-9990 впечатляет. Это - седце какого-то киборга. Оно огромно, размером с треть кирпича, с кучей электроконтактов, каких-то таинственных троссиков в спиральной обмотке и вообще, оставляет впечатление технического произведения вне времени и сроков давности. Наверняка с какой-нибудь деки, типа Аурекса. В лентопротяжках Тошибы не раз встречал странное решение - натяжение пружинок через корпус в обратную сторону. Кто их разбирал, знает о чем я говорю.

Как играет эта магнитола, совершенно отдельная тема. Звук у нее просто разительно отличается от всех остальных. Грамотнее сказать, у этой чистокровной японки свой собственный голос. Глубокий, звонкий, по тошибовски яркий.

Вторая привезенная магнитола, хоть и была похожа на первую, но пела не столь выразительно и я ее продал одному молодому диджею.
В доме, рядом с первым Шарпом и с Крауном, поселилась третья магнитола. С них коллекция то и началась. У меня с тех пор перебывало много других магнитол этой марки, но RT-9990SM - самая технически и функционально нафаршированная. Одна только система поиска песен MQMS чего стоит? Целая батарея светодиодов.

Я нахожусь в постоянном поиске и поднял пол Японии друзей, знакомых и коллекционеров с просьбой
найти мне оригинал описания на японском языке. Магнитола не имеет европейских или американских аналогов и выпускалпась исключительно для рынка Японии. Кое какую информацию по этому экземпляру мне прислал коллега по собирательству из Ст. Петербурга, Сергей Васильев, многим знакомый как Пеликуша.


DSC_5658.JPG



TEХНИЧЕСКИЕ ХАРАКТЕРИСТИКИ

Мощность - 12ватт (6x6W)
Воспроизводимые частоты:
Normal 50-12000Hz
СrO2 50-14000Hz
Metal 50-15000Hz
Размеры 520х307х170
Энергопотребление 13,5 ватт
Динамики 18 см х 2, 4 см х 2
Вес 7,85кг


ПЕРЕВОД ФУНКЦИЙ С ЯПОНСКОГО
Вложения:
Ищу магнитолы Silvano KSC M1900, Nippon KSC-M1900, TOSHIBA RT-S713, RT-8490 SONY CFS F5, FISHER PH470, NATIONAL RX-5080, RX-5150. RX-5250

Ищу кассеты AKAI, AIWA, CROWN, SILVER и демонстрационные кассеты, всегда есть на обмен...
Последнее редактирование: 14 Окт 2019 23:55 от black jack.
Администратор запретил публиковать записи.

Мои магнитолки со всего мира 31 Янв 2015 11:27 #1168

  • black jack
  • black jack аватар
  • Вне сайта
  • Модератор
  • Сообщений: 754
SANYO MR-XD1

Эта магнитолка была давно задуманой в коллекции, но упорно не попадалась, пока со сной не связались коллеги из России, у которых была необходимость в некоторох моих услугах, в результате чего я заполучил обсолютно девственную, всю исписанную японскими иероглифами магнитолу.
Это тот редский случай, когда магнитолы из страны Восходящего солнца приходят в идеальном состоянии. Но и распространенный, когда аппараты попадаются редкими, но без каких-то недостающих элементов. В данном случае - это святое эпической отсутствие крышки батарейного отсека.
Магнитола приехала без него. Состояния ее не видел никто до меня. Японцы отправили кота в мешке.
Там могло быть все что угодно, о чем меня предупредили, а я был готов к любому суповому набору.
А тут, бах - шикарное состояние всех надписей и алюминиевых панелек.
Но и тут мне помогли российские коллекционеры. Запросто так мне полсуетили недостающую крышку для батареек.
Вот такая вот у меня есть настоящая японка. Только транс поменял на 220 вольт.
Так уж сложилось, что магнитолы с иероглифами мне больше нравятся чем европейки.
А вообще эта магнитола полный аналог магнитол SANYO MX-520/620 (первая для рынка США)
Невероятная магнитола перед которой не приходится сидеть спереди, что бы слушать. Она умеет наполнять звуком помещение.


d187f7f8b9b2.jpg



ТЕХНИЧЕСКИЕ ХАРАКТЕРИСТИКИ:
Частотные характеристики
50-13000Hz Normal
50-14000Hz CrO2
50-15000Hz metal
Мощность 6 ватт на канал (12W)
Размер 515х303х166см
Вес 6,5кг без батареек


Извените, схемы нет.

Перевод функций с японского в приложении!
Вложения:
Ищу магнитолы Silvano KSC M1900, Nippon KSC-M1900, TOSHIBA RT-S713, RT-8490 SONY CFS F5, FISHER PH470, NATIONAL RX-5080, RX-5150. RX-5250

Ищу кассеты AKAI, AIWA, CROWN, SILVER и демонстрационные кассеты, всегда есть на обмен...
Последнее редактирование: 25 Июнь 2020 23:17 от black jack.
Администратор запретил публиковать записи.
Спасибо сказали: scorpic, kryt-68 , Sam18

Мои магнитолки со всего мира 31 Янв 2015 15:03 #1181

  • kryt-68
  • kryt-68  аватар
  • Вне сайта
  • Живу я здесь
  • Сообщений: 346
Хорошая магнитолка. А мне иероглифы бесят.
Администратор запретил публиковать записи.

Мои магнитолки со всего мира 31 Янв 2015 19:05 #1186

  • black jack
  • black jack аватар
  • Вне сайта
  • Модератор
  • Сообщений: 754
Кому как, а у меня огромное желание многие свои магнитолки обменять на такие-же но с иероглифами.
Кромне JVC М-70. Нравится возиться переводить. Вот сейчас ищу партию сменять свой GF-9696 на япошку GF-508, обязательно в черном цвете.
Ищу магнитолы Silvano KSC M1900, Nippon KSC-M1900, TOSHIBA RT-S713, RT-8490 SONY CFS F5, FISHER PH470, NATIONAL RX-5080, RX-5150. RX-5250

Ищу кассеты AKAI, AIWA, CROWN, SILVER и демонстрационные кассеты, всегда есть на обмен...
Последнее редактирование: 31 Янв 2015 19:06 от black jack.
Администратор запретил публиковать записи.

Мои магнитолки со всего мира 31 Янв 2015 19:49 #1190

  • scorpic
  • scorpic аватар
  • Вне сайта
  • Живу я здесь
  • Сообщений: 1118
black jack,
Отличная магнитолка!
Администратор запретил публиковать записи.

Мои магнитолки со всего мира 31 Янв 2015 21:22 #1195

  • scorpic
  • scorpic аватар
  • Вне сайта
  • Живу я здесь
  • Сообщений: 1118
Офигенный ящик :woohoo: :woohoo: все глаза проглядел.... :sos:
Администратор запретил публиковать записи.
Спасибо сказали: sergegb

Мои магнитолки со всего мира 02 Фев 2015 15:54 #1273

  • black jack
  • black jack аватар
  • Вне сайта
  • Модератор
  • Сообщений: 754
SANYO M-9998

Следующая магнитола ко мне в дом пробиралась под всякими предлогами и наконец была подарена, хотя и представляла собой суповой набор из самой магнитолы и в усмерть раздолбанного ЛПМ.
Магнитофон был привезен в СССР в 1980 году военным советником Сашей Кузнецовым из процветающей в те времена, благополочной Ливии. Называлась она "черный саньё" и котировалась у военных специалистов побольше чем SHARP GF777, поскольку играла во многие разы лучше.

Время и безжалостные ребятишки хозяина сыграли злую шутку с этой красивой, черной магнитолой, разломав пополам у нее три педальных клавиши. Слава богу они остались болтаться на штоке, но на функции никак не могли повлиять.
Радио тоже упорно молчало, зато включалась подстветка, громко шелестел включающийся мотор и работал усилитель.

Хозяин многкратно пытался его отремонтировать, отдавая различным кулибиным и в конце концов, безнадежно махнул на него рукой и отдал своему приятелю, у которого "черный саньё" пропылился год в офисе для устрашения клиентов.

Потом эта магнитола переехала ко мне, когда напрод узнал о моем странном пристрастии коллекционировать подобный аудиохлам.

Разбирать ее и копаться в кишках не самое приятное занятие. Магнитола представляет собой кучу жгутов соплей и лапши. И никто никогда меня не убедит что ремонтировать SANYO M-9998 это высшее из земных удовольствий.

Более того, первый раз, когда я открыл крышку этого магнитофона, я ее через пять минут захлопнул обратно без малейшего желания вообще когда-нибудь туда лазить.

Потом я еще пару раз туда залазил и снова закручивал винты обратно. До ЛПМ можно было добраться только сняв "волосатую" от проводов плату.

В конце концов я возвал о помощи своего приятеля, гуру и шамана, спасти меня от этой ужасной магнитолы, с чем он прекрасно справился боевым отравляющим веществом - Дихлорэтаном.
Таки склеил треклятые, разломанные пополам, клавиши, армирвав их усилителем жесткости.

Сегодня эта магнитола уже в строю. Косметическое состояние одно из лучших, виденных мной.
Огромный длинный аппаратище, который немного выпадает из обшей концепции коллекции благодаря своей немного странной конструкции дизайна и размерам. Его не поставить на другой аппарат. И на него, собственно, тоже. Судя по реакциям аукционов, М9998 - один из самых преследуемых ценителями, аппаратов среди магнитол.

Подарок, однако! Тем особенно и дорог!

--8.JPG


ТЕХНИЧЕСКИЕ ХАРАКТЕРИСТИКИ

Воспроизводимый диапазон
40-12000Hz Normal
40-14000Hz CrO2
40-15000Hz Metal
DOLBY NR
Автопоиск AMSS
AFC- функция "прилипания" радиоволн FM
Мощность 12ватт х 2 (22W)
Вес 9кг

Размеры: 664х267х175мм

Пассики
FRW 10.1
SCX 8,6
SCY 5,2
SCY 7,0


ЭЛЕКТРИЧЕСКАЯ СХЕМА
Вложения:
Ищу магнитолы Silvano KSC M1900, Nippon KSC-M1900, TOSHIBA RT-S713, RT-8490 SONY CFS F5, FISHER PH470, NATIONAL RX-5080, RX-5150. RX-5250

Ищу кассеты AKAI, AIWA, CROWN, SILVER и демонстрационные кассеты, всегда есть на обмен...
Последнее редактирование: 11 Янв 2021 21:50 от black jack.
Администратор запретил публиковать записи.
Спасибо сказали: scorpic, kryt-68 , Sam18

Мои магнитолки со всего мира 02 Фев 2015 21:02 #1274

  • scorpic
  • scorpic аватар
  • Вне сайта
  • Живу я здесь
  • Сообщений: 1118
Олег! Спасибо за отличные обзоры! :vodka:
Администратор запретил публиковать записи.

Мои магнитолки со всего мира 04 Фев 2015 10:10 #1289

  • black jack
  • black jack аватар
  • Вне сайта
  • Модератор
  • Сообщений: 754
TOSHIBA RT-S913 BomBeat40

Cледующий экземпляр из моей кучи магнитол - обсолютный чемпион по экзотичности для очень спецефическго рынка Южной Америки, где главное - это фаллический размер и громкость в кварталах Рио или Сан-Пауло.
Магнитола - монстр, магнитола - тетемный идол, магнитола - отпугиватель громкостью диких животных из амазонских лесов, TOSHIBA RT-S913 BomBeat40.
Магнитола короткой эры всплеска гигантизма, когда многие японскй производители изготовили в своем модельном ассортименте подобных монстров огромного размера. А потом все свелось к минимизации и увлечению двухкассетниками.
Магнитолы бренда TOSHIBA всегда стояли особняком от прочих производителей, но с этой магнитолой перестарались в разумном техническом минимализме, замешаном на мультигигантизме. Я бы даже сказал, что это своеобразный шедевр самодостаточности.
В самом деле, нафига нужны какие-то опции по качеству записи на различных типах пленки, когда в Аргентине и Бразилии народ слушает в основном местный карнавальный фолк, а Сепультурой в те годы в их краях еще и не пахло. Студийных кассет продавалось в изобилии. И народам латинской Америки требовался некий универсальный проигрыватель их музла с расширенной системой автопоиска и максимальной громкостью для проведения собственного карнавала или садьбы на 200 человек. Вот TOSHIBA RT-S913 - как раз такой аппарат, пр покупке которого холяин не съэкономил на шкурках ягуара.
Любопытно, что для рынка самой Японии, 913-я не выпускалась. Японцы всегда благотворили наоборот, минимализм и техническую нафаршировангость.

Эта магнитола, несмотря на небольшую стоимость, ехала в Беларусь обходыми путями и доставка ее была не дешевой.

В магнитоле молчал ЛМП, не контачили пара переключателей, глох правый канал при воспроизведении. Еще то включалась, то выключалась функция моего любимого расширенного воспроизведения WIDE. Аллюминий и корпус были в состоянии страдания, а я по этому поводу страдать долго не собирался.

Разбирается магнитола ... уникально. Нужно открутить шурупы по пириметру, а потом открутить винты на огромных грилях. Можно было голову сломать. Это потом появились видео на YouTube, а мне пришлось самому искать секреты конструкторов в 2013 году. Внутренний ключ 5мм понадобился.

Круче динамиков RT-S913 я не видел ни у одной другой магнитолы современности. Это огромные тазы размером 21см с матерчатым подвесом в обратную сторону. В описании указано... 20. Они идеальны, как стюардессы бразильских авиалиний. Потом следуют две пары 5мм полноценных пищалок. Это не магнитола, а одна огромная аккустическая колонка, которой все равно на какой громкости ей играть. Размер динамиков в инструкции указан на 10мм больше, чем я измерил линейкой.

С ЛПМ я разобрался на два счета. И дело было не столько в пассиках, сколько в замене на новую пружины прижимного ролика и еще одной толкающей пружинки пластиковой шестеренки, котороую пришлось снять и немного разогнуть. ЛПМ достаточно хлипкий для такого монстра. На описанной свыше 9990 механизм намного серьёзнее.

Веселее было с электрикой. У магнитол этой марки, пайка Toshiba шедевральна, но как оказалось, подвели переключатели. При их переключении, механически образовались кольцевые трещины и контакт то пропадал, то появлялся. Переключатель tape/radio - механически слабый элемент, который подвергся механическим нагрузкам за много лет эксплуатации. Его пришлось тщательно пропаять.

Фирменный тошибовский сбалансированный насыщеный звук! Этот аппарат из хорошей магнитной записи, сделанной на деке, вытянет многое, как и собственно, из FM, была бы только передача качественна. Но удивили заявленный параметры, указанные в паспорте.
Следственно, приличной записи от него не ждать.

Система автопоиска песен MQJS. 10 песен срабаывают вперед и 9 назад.
Например, вы хотите найти 4-ю песню: нужно нажать две клавиши, воспроизведения и перемотки и 3 раза клавишу MQJS SET. Для +5 пауз селектором выберается зеленый светодиод. Хитро, но не сложно.

Как ни выкручивай ручку громкости, это одна из немногих магнитол, которым пофиг как громко или тихо играть.

К магнитолке есть инструкция пользователя. А вот электричесой схемы в комплекте не оказалось.

Дизайн - можно смело в музей технической эстетики в качестве экспоната промышленного авангардизма 80-х.

Каково было мое удивление, когда спустя несколько лет после приобретения RT-S913, таки нашел давно искомую магнитолу TOSHIBA RT-8890. Вскрытие показало что внутри этих двух аппаратов одно и то же, за исключением размера динамиков, а простецкий ЛПМ со временем стал доставать причудами частого обслуживания.


913_2020-04-23.JPG



ТЕХНИЧЕСКИЕ ХАРАКТЕРИСТИКИ

Радиоприемник
FM 88-108Mhz
MW 525-1606kHz
SW1 1,6-4,5Mhz
SW2 4,5-12Mhz
SW3 12-28Mhz
60-10000kHz Normal
Система автопоиска песен MQJS.
20см х2
5см х2
4см х2
Громкость - 38W
Размер 595 х352 х151мм
Вес 7,3 кг


пасеки - привод 100мм х 2
песен счетчика - 85мм х 2
идлер 13- диаметр
ширина идлера 7мм
диаметр втулки идлера 7мм


user manual

Вложения:
Ищу магнитолы Silvano KSC M1900, Nippon KSC-M1900, TOSHIBA RT-S713, RT-8490 SONY CFS F5, FISHER PH470, NATIONAL RX-5080, RX-5150. RX-5250

Ищу кассеты AKAI, AIWA, CROWN, SILVER и демонстрационные кассеты, всегда есть на обмен...
Последнее редактирование: 11 Янв 2021 21:44 от black jack.
Администратор запретил публиковать записи.
Спасибо сказали: old.walkman, kryt-68 , Sam18

Мои магнитолки со всего мира 04 Фев 2015 13:42 #1290

  • scorpic
  • scorpic аватар
  • Вне сайта
  • Живу я здесь
  • Сообщений: 1118
Шикарный аппарат,отличный обзор!!! :vodka:
Администратор запретил публиковать записи.

Мои магнитолки со всего мира 18 Фев 2015 21:37 #1676

  • scorpic
  • scorpic аватар
  • Вне сайта
  • Живу я здесь
  • Сообщений: 1118
Браво! Вам батенька книжки писать :rem:
Администратор запретил публиковать записи.

Мои магнитолки со всего мира 19 Фев 2015 11:28 #1683

  • black jack
  • black jack аватар
  • Вне сайта
  • Модератор
  • Сообщений: 754
RISING SRC-2005

Магнитола долго жила на холодном чердаке одного из белорусских коллекционеров в городе Лида. Привезена была с германского блошиного рынка с проломленной задней крышкой и покоцанным мутным пожелтевшим стеклом шкалы приемника.

Я отродясь не встечал магнитол этой марки, о по дороге к теще в Гродно я решил заехать передохнуть с дороги, посмотреть Лидский замок, где жили князья Великого Княжества Литовского и за одно познакомиться с коллегой и выпить кофейку.

После чашечки кофе, хозяин под ником Лунноход, провел меня на тот самый волшебный чердак особняка, где был оборудован целый склад винтажного аудио.
Когда я увидел это... даже не послушав, я понял что оно мне надо. Оргомная классическая магнитола с магической надписью made in Japan.

На обратном пути из Гродно я заехал приобрести этот музыкальный сундук, как бы он не звучал, но выглядел RISING SRC-2005 с ног сшибательно.

После прочистки, клейки задней стенки, замены оргстекла на новое, борьбы с царапинами магнитола приобрела приличный вид, который вполне соответствовал и глубокому объемноу звучанию огромных белых лапухов 20см динамиков.


rising.JPG



Сегодня именно RISING -2005 почетно стоит не где нибудь, а на подоконнике и радует семью приемом FM как одна из наиболее эргонономчных в эксплуатации магнитол, с которыми может справиться моя жена. Одна из самых хорошо звучащих в моей коллекции. Конечно это не Toshiba RT-S913 или AIMOR-808, которым все равно на какой громкости орать, трансформатор райсинга немного слабоват и не задуман для электросварки. Зато по схематике одно удовольствие. Высочайшая организация и культура монтажа. Все элемены наглядны и доступны. Впомнить шарпы такого класса или айвы - страшно становится от кучи жгутов. Здесь все на приятных разъемах. Легкий в сборке и разборке.
Несколько болтов открутить и все готово.
Крепкий железный ЛПМ с поршевым лифтом - не пластиковый панасник. 1981 год выпуска. Опции по пленке melal нет. Да и бог с ней.
Шкала подсвечивается двумя лампами. Руки не дошли заметить их на что-либо альтернативное.
С точки зрения сборки и удобства ремонта - наверное это чемпион среди магнитол. Японских конструкторов этого шедевра убивать не хочется.
Белые дины спустя 30 лет... отлично поют но заполучили несколько желтых пятен.
Кто же знал что они столько протянут?

В магнитоле Rising SRC-2005 расчет был сделан для экспорта в другие страны.

ТЕХНИЧЕСКИЕ ХАРАКТЕРИСТИКИ:

Мощность: AC115V и 230 V на входе или 13,5 V внешний источник питания или 9 батареек.
Динамики 20см х2, 5см х2
FM 88-108MHz
MV 535-1605KHz
SW1 2.3-7.0MHz
SW2 7.0-22.0MHz
AFC- точная настройка станций
OPS - поиск на одну паузу
Normal 40-12500
CrO2 40-14000
АРУЗ
Мощность - 30W
Длина 605мм
Высота 355мм
Ширина 140мм
Вес 8кг200г


С левой стороны выключатель питания, тонкомпенсация (с выключателем), выбор лены( ) норма/CrO2 режим-1 ( WIDE/стерео/FM моно ), режим-2 (Батт, подсветка шкалы /OFF/сна).
Слева ручки: бас, ВЧ, баланс, функция PHONO/радио/кассету и громкость.
Слева это громкости, FM, тонкая настройка AFC, FM, SW2, SW1, МW.
300 Ω - внешняя антенну FM терминал, SW внешняя антенна и терминал заземления ( ) EXT/ROD переключатель, переключатель FM( ) DX/LOCAL.
Выход : PHONO вход терминалы (PIN гнезда), заземление , AUX Jack (3,5 мм мини-джек), внешний микрофон ( ) левый Jack (3,5 мм мини-джек), удаленный терминал (2,5 мм мини-джек), функция cмешивания MUTE, гнездо для микрофона (3,5 мм мини-джек), гнездо для внешнего динамика (левый, 4 Ω, миниджек 3,5 мм), разъем для наушников (стандартный Джек 6,3 мм). От мини-штекер в aux aux на ЛЕНТЕ, переход на статус записи функции.

Кое-что из описаний я нашел на японском языке. Мои знакомые японские магнитольщики об этой модельке знают только по наслышке.

Очень самодостаточная серьёзная магнитола, которую, не смотря на размеры, удобно иметь дома.

По мифам и подозрениям к этой магнитоле причастна фирма ONKYO. Ищу в любом виде паспорт или мануал к этому аппарату.
Вложения:
Ищу магнитолы Silvano KSC M1900, Nippon KSC-M1900, TOSHIBA RT-S713, RT-8490 SONY CFS F5, FISHER PH470, NATIONAL RX-5080, RX-5150. RX-5250

Ищу кассеты AKAI, AIWA, CROWN, SILVER и демонстрационные кассеты, всегда есть на обмен...
Последнее редактирование: 23 Апр 2020 00:45 от black jack.
Администратор запретил публиковать записи.
Спасибо сказали: old.walkman

Мои магнитолки со всего мира 26 Фев 2015 16:58 #1751

  • black jack
  • black jack аватар
  • Вне сайта
  • Модератор
  • Сообщений: 754
Aimor ST-808FS2

Как-то из-за чистого любопытства, заехал в гости к коллекционеру виниловых пластинок Игорю, который дал объявление на одном из сайтов о продаже необычных магнитол, которые он привез из Германии по заказу неведомых россиян, которые из заказали привезти, а сами куда-то пропали. Игоря я многократно раньше встречал на клубе аудиофилов ДК Тракторного завода и знал исключительно визуально.

В тот день в его квартире я увидел целых пять потрясающе редких аппаратов, все из которых представляли необычайный интерес, но только одна из них безнадежно "молчала", какие бы кнопки я не пытался на ней нажимать. Но это была оргомная, невиданная магнитола, про которую англоязычный сайт boomboxery.com многозначительно писал ... More powerfull like National rx-5350
Просто так я уйти не мог, хоть я и не услышал из него ни одного звука, кнопки ЛМП вываливались, а подкассетник с мутным оргстеклом не открывался. Просто приобрел в мешке кота-переростка, размером с шарп "три топора".
Везти его было домой не в чем, бо летом принципиально езжу на мотике и Игорь любезно завез мне это чудовище на своей "тойоте".

Так эта огромная магнитола по цене молчаливой кучи радиодеталей, с риском стать частью мебели в моем гараже, стала моей.
Это уже второй мой AIMOR. До этого у меня побывал 804- отличный тяжеленный аппаратик с неплохим звуком, но вот 808 - это мегамонстр, которого хотелось бы сравнить с очень похожим внешне на SANYO M-X920, но это обсолютно разные аппараты, у которых внешне только дизайн похож.

Из гаража я привез чудище домой. Вооружился отверткой и забрался в потроха. Крышка подкассетника была отремонтирована в первую очередь. Пришлось банально разогнуть погнутый алюминий, заменить стекло на современный винил и отрегулировать поршневой лифт, заправив его новой демпферной смазкой.
Огромные лопухи 20см (8дюймов) динамиков больше похожи на тазики (для сравнения представьте трехдюймовое артилерийское орудие), По артилерийским стандартам, это калибр мортиры.
5см бумажные пищалки, солидный вес и габариты немного короче легендарного GF-777.
Магнитола натужно ревела 150W трансформатором.
С электрики первое, что я нашел, были перегоревшие лампочки подстветки, судьба которых была предначертана стать светодиодами.

Причиной молчания магнитолы оказались трещины электрической платы.Тут пришлось прибегнуть к помощи всемогущих бубнов шамана и призыву к богу Дождя. Но когда все это "гакгнуло" предписанными 45 ваттами, я с ужасом осознал, что громче этой магнитолы в моем доме только мой
стационарный HARMAN/KARDON с колонками INFINITY.

На прошедшем в 2014 году очередном белорусском Аудиофесте мой AIMOR проиграл только SHARP VZ, поскольку на максимальной мощности с ним не справлялась 220V розетка и магнитола беcспомощно глохла на доли секунд в момент пика. Хорошо хоть провод удлинителя не перегорел.


wide.JPG



ТЕХНИЧЕСКОЕ ОПИСАНИЕ:

Выходная мощность: 45W
Размеры: 700х370х192см и 10кг веса
ЛПМ Soft Touch
Двухполосная аккустика 20cм WOOFER/5смTWITTER
4 канала радио, включая FM Stereo
Двойной индикатор Level Indicator
Используемые пленки
Normal/Metal/ CrO² Tape
2 электретных микрофона
Stereo /Wide/Mono
Энергопотребление 150W
REC/ PB (DIN)
Beat Cut 1-2


Aimor Electric Works, Ltd.; Tokyo
компания была основана в марте 1962 года

ИЩУ ЭЛЕКТРИЧЕСКУЮ СХЕМУ, МАНУАЛ И ДЕМОКАССЕТУ
Вложения:
Ищу магнитолы Silvano KSC M1900, Nippon KSC-M1900, TOSHIBA RT-S713, RT-8490 SONY CFS F5, FISHER PH470, NATIONAL RX-5080, RX-5150. RX-5250

Ищу кассеты AKAI, AIWA, CROWN, SILVER и демонстрационные кассеты, всегда есть на обмен...
Последнее редактирование: 29 Июнь 2022 22:20 от black jack.
Администратор запретил публиковать записи.
Спасибо сказали: old.walkman, kryt-68 , Sam18

Мои магнитолки со всего мира 25 Апр 2015 18:41 #3713

  • black jack
  • black jack аватар
  • Вне сайта
  • Модератор
  • Сообщений: 754
Прошу учесть что такие матералы, как технические характеристики на русском многих моих магнитол
в природе существуют только на сайте oldaudio,by

Может быть , конечно, я зря все это делал, бо российские сайты и прочие продаваны молотков и авито будут копипэстить кому ни лень.

Админ сайта. Вроде есть функция защиты от копира. Как ее установить?
Ищу магнитолы Silvano KSC M1900, Nippon KSC-M1900, TOSHIBA RT-S713, RT-8490 SONY CFS F5, FISHER PH470, NATIONAL RX-5080, RX-5150. RX-5250

Ищу кассеты AKAI, AIWA, CROWN, SILVER и демонстрационные кассеты, всегда есть на обмен...
Последнее редактирование: 25 Апр 2015 18:42 от black jack.
Администратор запретил публиковать записи.

Мои магнитолки со всего мира 27 Апр 2015 20:36 #3721

  • old.walkman
  • old.walkman аватар
  • Вне сайта
  • Администратор
  • Сообщений: 286
black jack пишет:
Прошу учесть что такие матералы, как технические характеристики на русском многих моих магнитол
в природе существуют только на сайте oldaudio,by

Может быть , конечно, я зря все это делал, бо российские сайты и прочие продаваны молотков и авито будут копипэстить кому ни лень.

Админ сайта. Вроде есть функция защиты от копира. Как ее установить?

Есть такая система, Олег. Кто захочет - обойдет. Это как с водяными знаками. А труд не напрастный ты проделал. Отличная работа.
Администратор запретил публиковать записи.

Мои магнитолки со всего мира 13 Май 2015 13:19 #3929

  • black jack
  • black jack аватар
  • Вне сайта
  • Модератор
  • Сообщений: 754
PANASONIC RX-CW54

Эта магнитола папала ко мне на заре моего начала коллекционирования и надолго застряла.
Как-то владелец какого-то непонятного панасоника ответил мне на объявление на белорусском онлайнере о своем желании продать за 30 долларов свою магнитолу.
Ну а поскольку я белорус, боящийся холода, и дома бываю только в гостях когда тепло, пришлось обраться к одному из приятелей,помочь забрать для меня этот аппарат.
Жена дома охренела, когда Тарас припер домой огромный сарай, непонятно зачем понадобившийся вдруг ее мужу.
Сначала она хотела друга выгнать нафиг вместе с этой проклятой магнитолой, долго ругалась что мужик ее , видимо, идеот, это досадное недоразумение, но потом отдала гребаные тридцать баксов.
Так у меня в доме завелся Panasonic RX-CW54.
Приезжаю я через несколько месяцев домой. Вижу сей черный квадратный ящик. Включаю.
А оно вдруг как заиграет. Такого звуканища я еще ни у одной другой, ранее виденной магнитолы отродясь не слышал. А когда подключил IPod так звук вообще меня размазал по табуретке. Врубил я Dio Holy Diver. Там понеслись та-а-акие низы.

Дочь профигела, узнав что за много лет до ее рождения какие-то cтранные япошки придумали дивайс, к которому можно запросто подключить хоть комп, хоть телефон и это будет играть лучше, чем все последующие творения других желтых человечков, для прослушивания музыки.


CW.54.jpg



В общем, не смотря на полное выпадание из моей совершенно концептуально противоположной коллекции, сий "черный ящик" благодаря недюженным звуковым способностям остался жить у меня дома, не смотря на то, что принимает всего четыре УКВ станции какой-то идеологической пропаганды и новости посевной.

Как-то через месяц мне пришло второе письмо, в котором некий добрейший житель Гродно
во что бы это не стало решил мне подарить точно такой же аппарат, но марки National.
Деньги добрый саморитянин брать напрочь отказался, да и не только деньги но и пузырь французского коньяка.

Так у меня появилось два одинаковых CW-54, неделю стоявших у меня дома один на другом.
Как оказалосб потом, довольно распространенные в наших краях аппараты являются жуткой экзотикой
везде, кроме Беларуси. Их страшно преследуют коллекционеры и мой второй аппарат очень быстро превратился cначала в SHARP GF-575, а затем в AIWA-CS J77.

Коллекционеры из Западной Европы за CW54 давали пару Crown CSC-980. Один из коллег просил во что бы это не стало дать ему мой оставшийся панас увезти и сменять в Германию, но я откзался. Уж очень хорошее состояние и к тому же с паспортом на русском языке с отметкой от покупке в магазине для ударников труда Минского Тракторного Завода. Еще хорошие люди мне к нему сервис-мануал подарили. Ну куда такую цацу оттдавать. Тем более что магнитола купленная за 30 долларов для меня дороже, чем купленная за 300. Она в десять раз ценнее!

Если детально об этой магнитолке, то весь ее секрет в волшебных динамиках с пассивной мембраной.
Оттуда и суперзук, который в других магнитолах не найти. Это не аппарат а ОРАЛО! Если бы не колонки - обыкновенная балалайка. Чисто технически, это архаичнейший примитивный двухкассетник с пятиполосным эквалайзером и хлипким ЛПМ из металла, чуть толще консервной банки.
Как-то таскал свой аппарат на самый первый аудиофест, так он после поездки в холодной машине еще и тянуть начал. Пришлось с этим ЛПМ повозиться, заменив ... пару пружин прижимного ролика.

Привод бегунка приемника в моем панасонике напрочь отсутствовал и мне пришлось его сделать их обыкновенного нейлонового хомута. Получилось более чем достойно. И тут япошки уже начали экономить. Съэкономили косоглазые и на светодиодах. Ничего в CW54 не прыгает и не танцует кроме
пары красных диодов.

Вот и живет у меня дома сие чудо, котрое держу дома за офигенный звук. С этим японцы в данном аппарате конкретно перестарались. Недавно нашел на Шри Ланке аппарат с "нормальным" FM, но проклятый индус многократно не вышел на связь и мои мечты о превращении моей магнитолы в полноценный аппарат разбились о международное непонимание.

ТЕХНИЧЕСКИЕ ХАРАКТЕРИСТИКИ



Размер- 725ммх163х188
Частотная характеристика - 60-12000Hz (хоть не наврали)
Мощность
60w (30x30W) PMPO - пиковая максимальная мощность
30w (15x2W) MPO
Динамики 10см и 2см х 2
Пассивный радиатор 5х13см
Вес 5,9 кг (без батареек)

Приемник:
FM-65-74MHZ
MW 530-1605KHZ
SW1 2,3-7MHZ
SW2 7,0-22MHZ


Что на этом аппарате слушаю?

Вложения:
Ищу магнитолы Silvano KSC M1900, Nippon KSC-M1900, TOSHIBA RT-S713, RT-8490 SONY CFS F5, FISHER PH470, NATIONAL RX-5080, RX-5150. RX-5250

Ищу кассеты AKAI, AIWA, CROWN, SILVER и демонстрационные кассеты, всегда есть на обмен...
Последнее редактирование: 26 Янв 2018 07:26 от black jack.
Администратор запретил публиковать записи.
Спасибо сказали: old.walkman, kryt-68 , Sam18, Prophetmaster
  • Страница:
  • 1
  • 2
  • 3
  • 4

Дни рождения

В ближайшее время дней рождения нет :(. Но это не повод расстраиваться :)
Время создания страницы: 0.727 секунд
Белорусский рейтинг MyMinsk.com Каталог TUT.BY Каталог белорусских сайтов Счетчик посещений сайта Яндекс.Метрика